EasyManua.ls Logo

Haas VF-2 - Page 485

Haas VF-2
564 pages
To Next Page IconTo Next Page
To Next Page IconTo Next Page
To Previous Page IconTo Previous Page
To Previous Page IconTo Previous Page
Loading...
Assembly Drawings
June 1999
485
96-8000
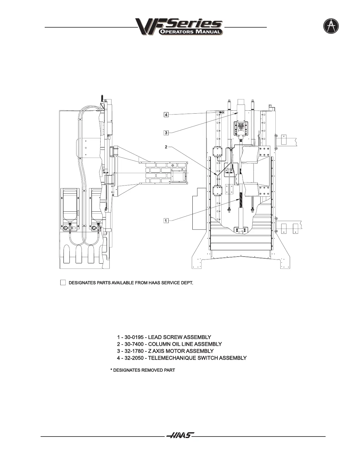
VF-6 Column

Table of Contents

Related product manuals