EasyManua.ls Logo

Haas VF-2

Haas VF-2
564 pages
To Next Page IconTo Next Page
To Next Page IconTo Next Page
To Previous Page IconTo Previous Page
To Previous Page IconTo Previous Page
Loading...
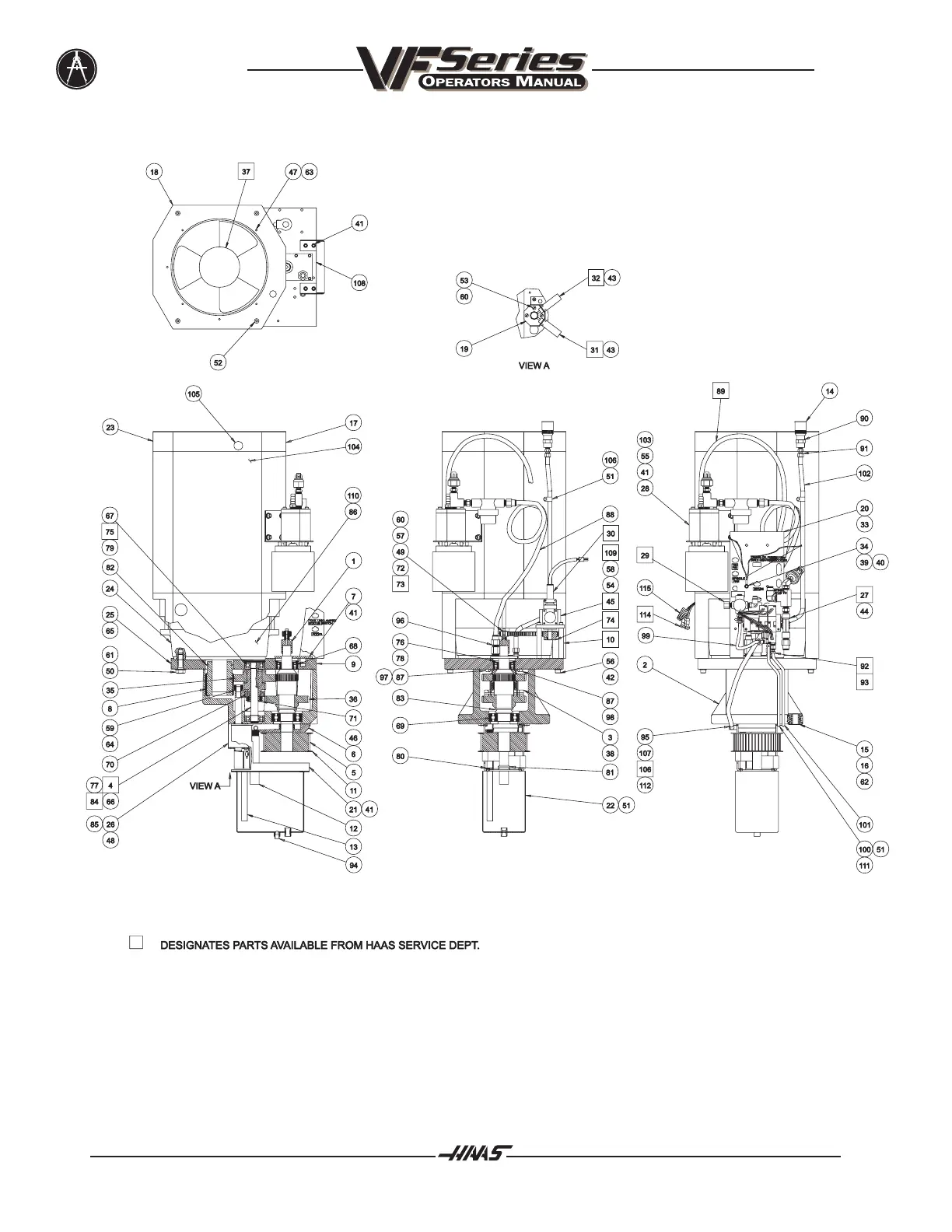
Assembly Drawings June 1999
506
96-8000
VF 1-11 Gearbox Assembly 15 HP

Table of Contents

Related product manuals