EasyManua.ls Logo

Haas VF-2

Haas VF-2
564 pages
To Next Page IconTo Next Page
To Next Page IconTo Next Page
To Previous Page IconTo Previous Page
To Previous Page IconTo Previous Page
Loading...
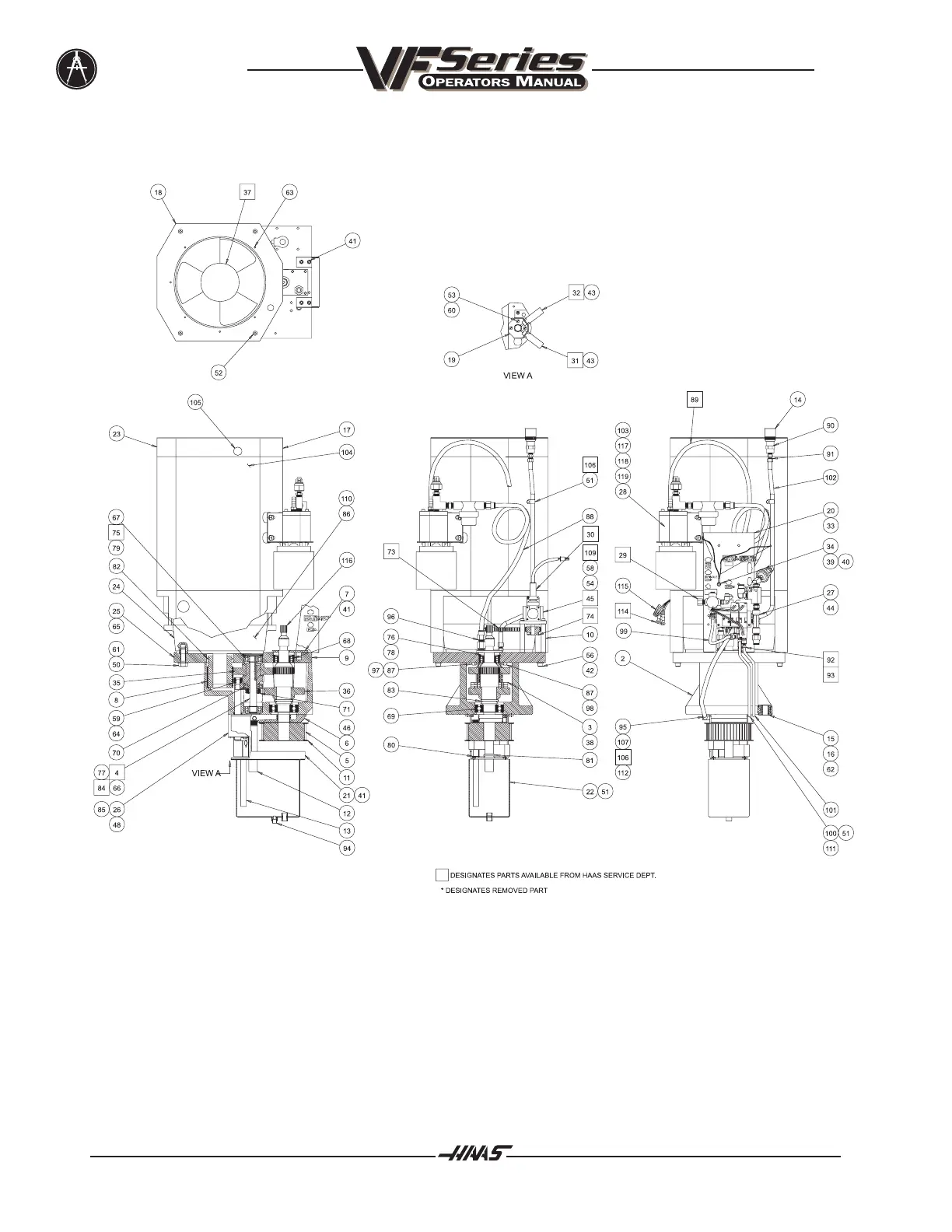
Assembly Drawings June 1999
508
96-8000
VF 1-11 Gearbox Assembly HT10K

Table of Contents

Related product manuals