EasyManua.ls Logo

Haas VF-2 - Page 535

Haas VF-2
564 pages
Print Icon
To Next Page IconTo Next Page
To Next Page IconTo Next Page
To Previous Page IconTo Previous Page
To Previous Page IconTo Previous Page
Loading...
Assembly Drawings
June 1999
535
96-8000
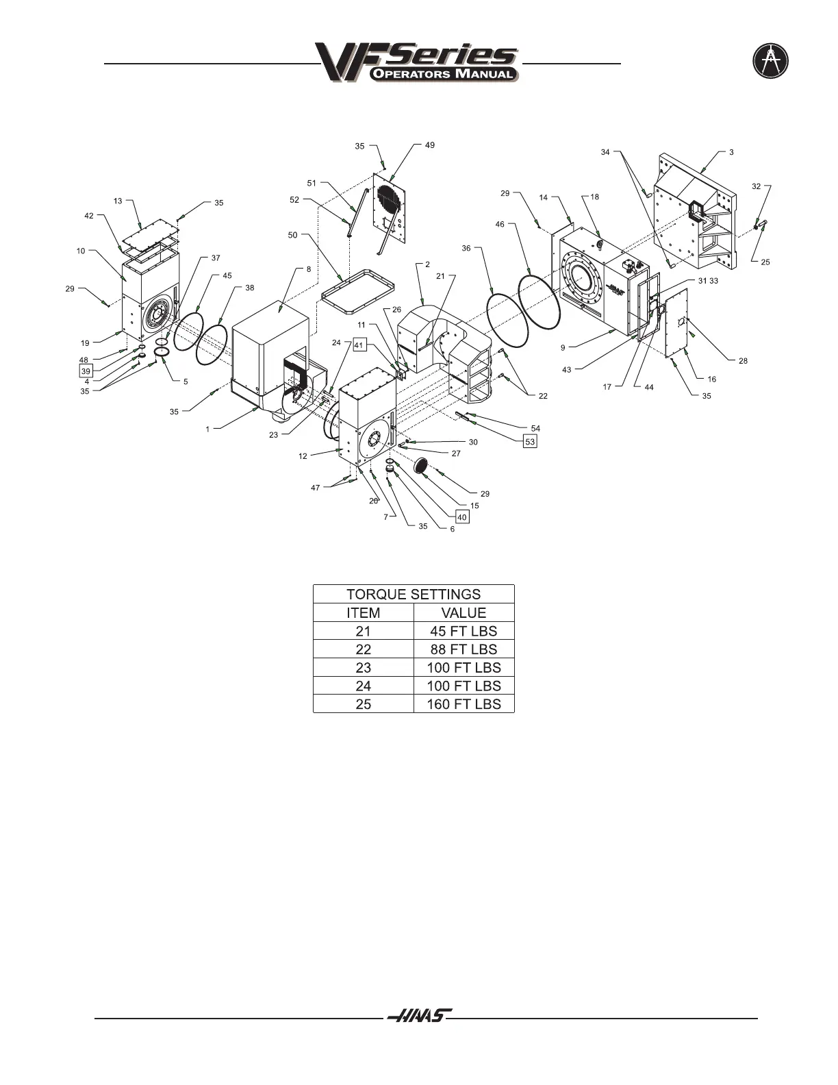
VR-Series Head Assembly

Table of Contents

Related product manuals