EasyManua.ls Logo

Haas VF-2 - Page 550

Haas VF-2
564 pages
To Next Page IconTo Next Page
To Next Page IconTo Next Page
To Previous Page IconTo Previous Page
To Previous Page IconTo Previous Page
Loading...
550
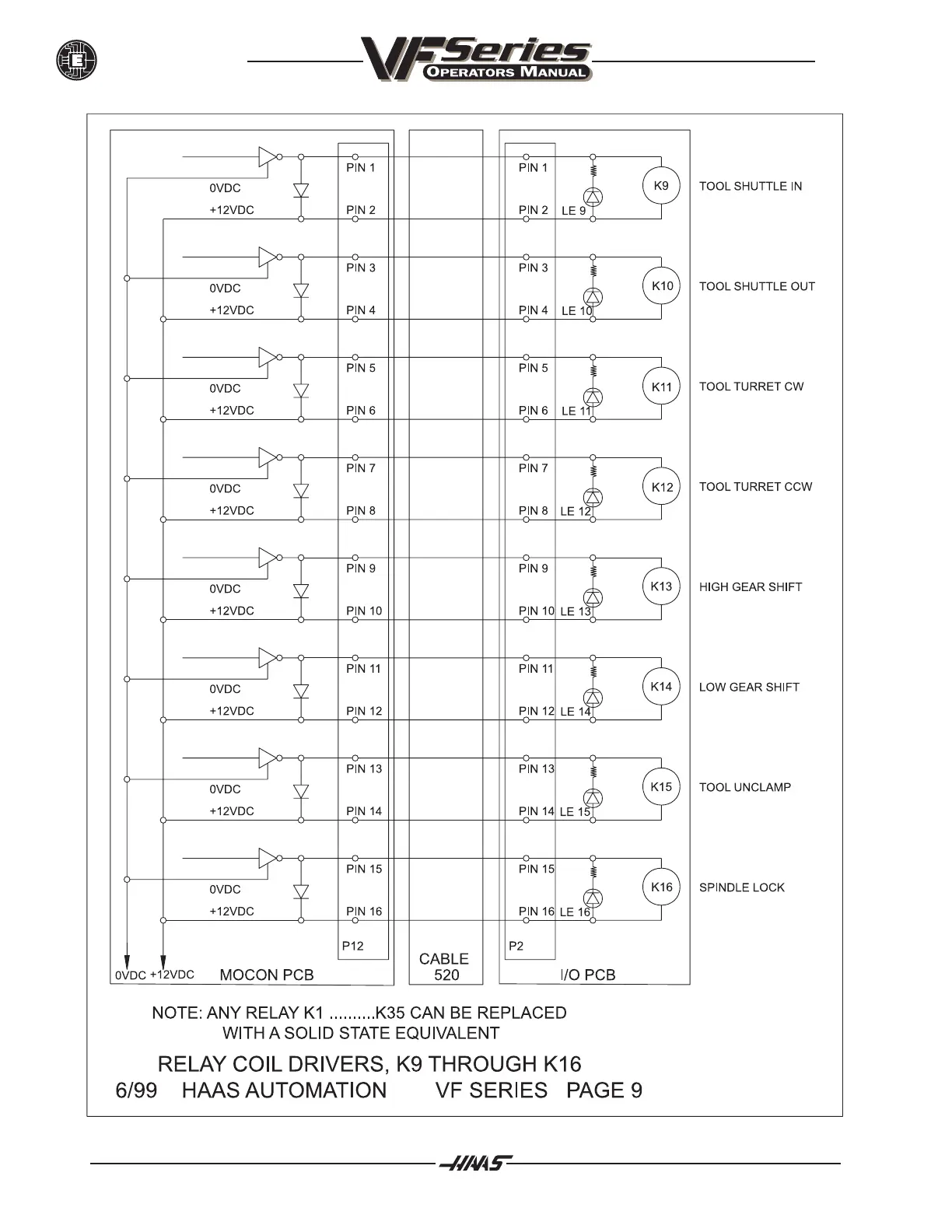
ELECTRICAL DIAGRAMS June 1999
96-8000

Table of Contents

Related product manuals