EasyManua.ls Logo

Haier 2U40CEFFRA - Page 311

Haier 2U40CEFFRA
314 pages
Print Icon
To Next Page IconTo Next Page
To Next Page IconTo Next Page
To Previous Page IconTo Previous Page
To Previous Page IconTo Previous Page
Loading...
Montage Procedure
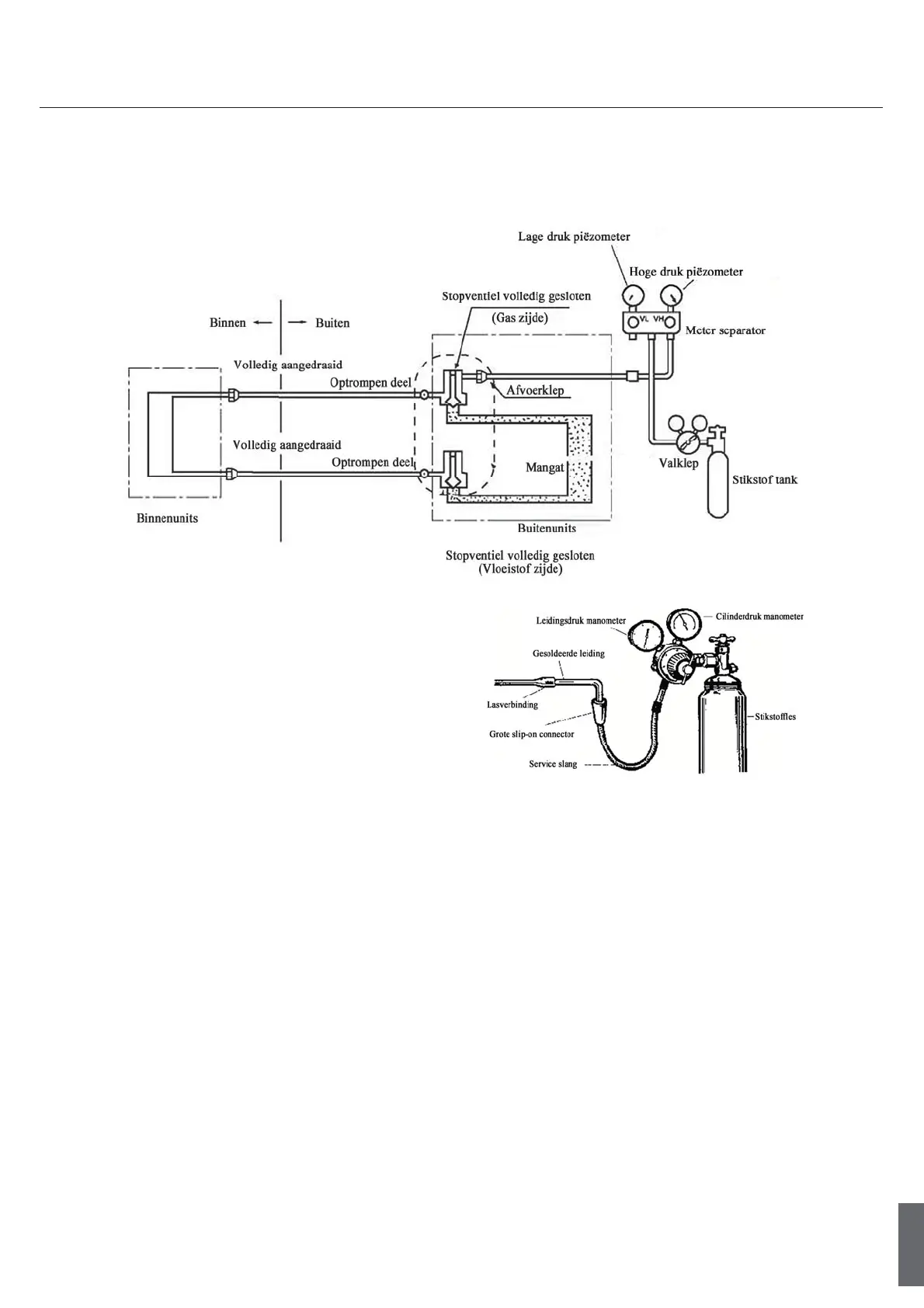
Luchtdichtheidstest
Na het beëindigen van de aansluiting van de koelmiddelleiding, zal de luchtdichtheid test worden uitgevoerd.
In de luchtdichtheid test wordt stikstoftank gebruikt om druk op te bouwen volgens de buisverbinding modus
zoals onderstaand afgebeeld.
De gas- en vloeistof ventielen zijn allemaal dicht. Om het invoeren van stikstof in het circulatiesysteem van de
buitenunit te voorkomen: draai de ventielstang vast alvorens het opbouwen van de druk (zowel gas- en
vloeistof ventielstangen).
1) Onderdruk voor meer dan 3 minuten bij 0.3MPa
(3.0 kg/cm
2
g).
2) Onderdruk voor meer dan 3 minuten bij 1.5MPa (15
kg/cm
2
g). Een grote lekkage wordt gevonden.
3) Onderdruk gedurende ongeveer 24 uur bij 3.0MPa
(30 kg/cm
2
g). Een klein lekkage wordt gevonden.
Controleer of de druk daalt
Als de druk niet daalt, is het resultaat van de test
positief
Als de druk daalt, zoek dan het lekkende punt.
Bij een onderdruk gedurende 24 uur, zal een
variatie van 1 ° C van de omgevingstemperatuur
een variatie van 0,01 MPa (0,1 kg / cm2G) druk veroorzaken. Dat zal tijdens de test worden gecorrigeerd.
Zoeken van het lekkende punt
In de procedure van 1) tot 3), als de druk daalt, controleer dan de lekkage bij elke verbinding door luisteren,
aanraken, het gebruik van zeepwater etc. om het lekkende punt te identificeren. Na het vaststellen van het
lekkende punt: las de verbinding opnieuw of draai de moer stevig opnieuw vast.
22
Nederlands

Table of Contents

Related product manuals