EasyManua.ls Logo

Haier AP48KN1EAA - Wiring Diagram

Haier AP48KN1EAA
54 pages
Print Icon
To Next Page IconTo Next Page
To Next Page IconTo Next Page
To Previous Page IconTo Previous Page
To Previous Page IconTo Previous Page
Loading...
Single Split
23
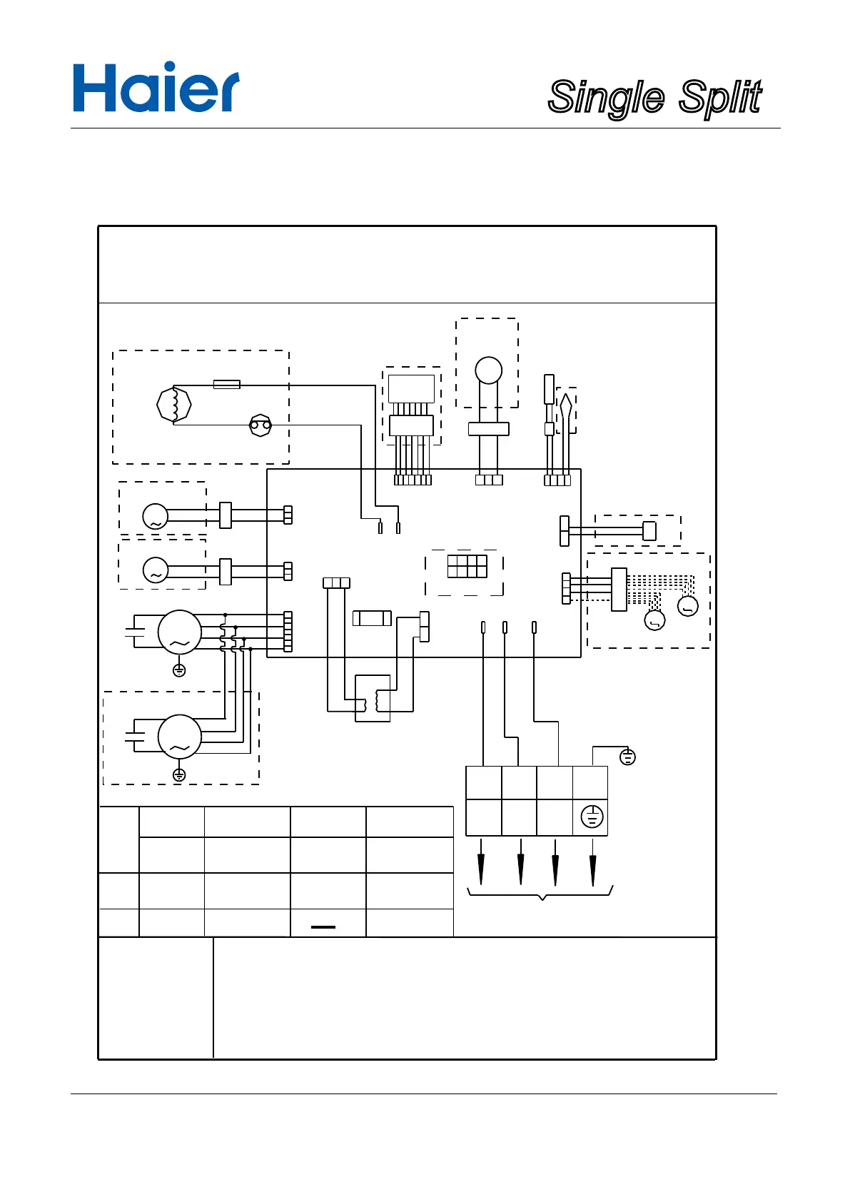
7.
CN1
CN19
CN3
Y/G
CN8
CN9
W
1 2 3
L N
B R
Y/G
CN14 CN15 CN24
NOTE:
1
The detector is required for central control if you need. This detector is a option part.
2、
All dip switches have been set. Pls don't move
.
3、
There is alternative controller, wired controller or remote controller, which depends on the unit model.
4、
Some parts is nonexistent in dashed for some models.
5、
CN11
is in short circuit for some models without float switch.。
6、
Put SW*-2/3 to ON position for cabinet unit.
T6.3A/250VAC
CN11CN12
CONTROLLER
CN20 CN21
BM
1234
LONG-DISTANCE
CONTROLLER DETECTION
CN2
CN4
M
M
CN5
PUMP
M
Y/G
M
W:WHITE B:BLACK
R:RED
Y/G:YELLEW/GREEN
1
BM
2
3
4
ON
OFF
COOL/HEAT
K SERIAL
CABINET UNIT
——
CONTROLLER
TEMPERATURE
AMENDMENT
COOL
HEAT
WIRED CONTROL
REMOTE
CONTROL
YES
NO
M
M
CIRCUIT DIAGRAM OF INDOOR UNIT
0010578100
ROOM TEMP SENSOR
PIPING
TEMP SENSOR
HEATER
ONE-OFF FUSE
RESUMABLE PROTECTOR
FUSE
SWING MOTOR
TO OUTDOOR UNIT
FAN MOTOR
CAPACITOR
RECEIVER
FLOAT
SWITCH
TRANSFORMER
FAN MOTOR
CAPACITOR
SWING MOTOR
CONTROLLER
Wiring diagram
AP48KN1EAA(H)

Related product manuals