EasyManua.ls Logo

Haier AU04IFPERA - Leakage Test and System Evacuation; Leakage Test Procedure; System Evacuation Process

Haier AU04IFPERA
77 pages
To Next Page IconTo Next Page
To Next Page IconTo Next Page
To Previous Page IconTo Previous Page
To Previous Page IconTo Previous Page
Loading...
26
B. Leakage test
C. Evacuation
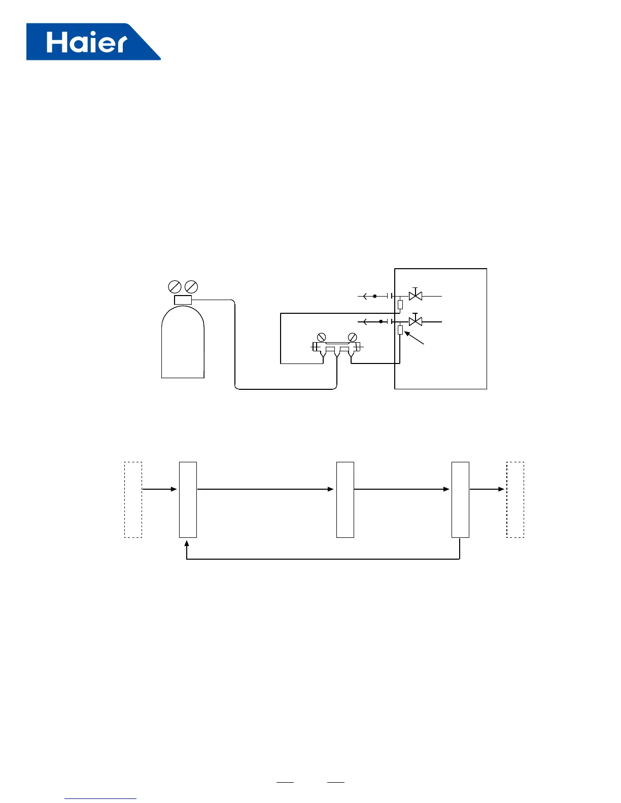
1. The outdoor unit has been executed the leakage test in the factory. After connecting the distributing pipe, execute
the leakage test from the outdoor check valve and the indoor. Besides, while testing, the valves should be close.
2. Refer to the below gure to charge the nitrogen into the unit to take a test. Never use the chlorine, oxygen,
ammable gas in the leakage test. Apply pressure both on the gas pipe and the liquid pipe.
3. Apply the pressure step by step to the target pressure.
a. Apply the pressure to 0.5MPa for more than 5 minutes, conrm if pressure goes down.
b. Apply the pressure to 1.5MPa for more than 5 minutes, conrm if pressure goes down.
c. Apply the pressure to the target pressure (4.0MPa), record the temp. and the pressure.
d. Leave it at 4.0MPa for over 1 day, if pressure does not go down, the test is passed. Meanwhile, when the
temp. changes for 1degree, pressure will change 0.01MPa as well. Correct the pressure.
e. After conrmation of a~d, if pressure goes down, there is leakage. Check the brazing position, ared position
by laying on the soap. modify the leakage point and take another leakage test.
4. After leakage test, must execute the evacuation.
Evacuate at the check valve of liquid stop valve and both sides of the gas stop valve.
Because the unit is with refrigerant R410A, the below issues should be paid attention:
To prevent the different oil into the pipe, please use the special tool for R410A, especially for gauge manifold and
charging hose.
To prevent the compressor oil into the refrigerant cycle, please use the anti-counter-ow adapter.
Operation procedure:
Leakage test passed
Leave it for over 1
hour, vacuum pointer
does not arise.
After reaching -101KPa or
less (below -755mmHg), let
the vacuum pump running
continuously for over 1hour.
Charge refrigerant
Evacuation begins
Check vacuum
Evacuation ends
If vacuum pointer arises, it shows there is water or leakage in the
system, please check and modify it, and then evacuate again.
Nitrogen
Hi handle
Gauge manifold
Hi
To indoor
Check valve
Gas pipe
Gas pipe
Check hole
Outdoor
Lo
Lo handle
D. Check valve operation
Open/close method:
Take down the valve cap.
Turn the liquid stop valve and the gas stop valve with hexangular spanner until it stops. If opening the valve
strongly, the valve will be damaged.
Tighten the valve cap.

Table of Contents

Other manuals for Haier AU04IFPERA

Related product manuals