EasyManua.ls Logo

Han's Robot Elfin E03 - Installing Tools to the Terminal of Robot (E03;E05 Robot

Han's Robot Elfin E03
36 pages
Print Icon
To Next Page IconTo Next Page
To Next Page IconTo Next Page
To Previous Page IconTo Previous Page
To Previous Page IconTo Previous Page
Loading...
20
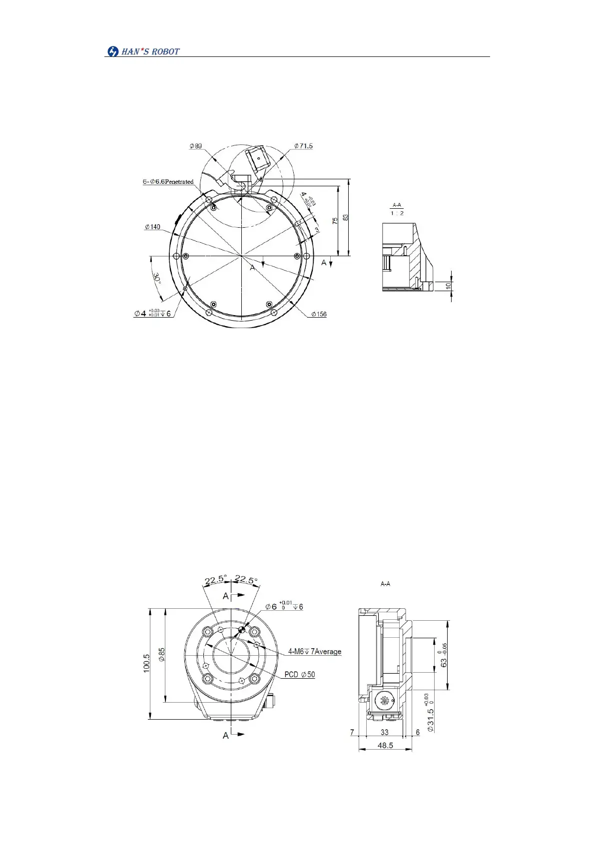
The installation dimensions of the robot base are shown in the following figure, and
the measuring unit is mm.
3.5 Installing Tools to the Terminal of RobotE03/E05 Robot
No end-effector is provided when you purchase the robot, please make it by yourself
or buy an end-effector.
The screw hole for the fixed tool at the robot ends is M6. When fastening the tools,
please use the bolts that conform to the ISO898-1 performance class 10.9 or 12.9, and use
the tightening torque of 15Nm.
The robot end installation dimensions are shown in the following figure, and the
measurement unit is mm.
www.hansrobots.eu

Related product manuals