EasyManua.ls Logo

HANGCHA CBD15-A3MJ - Product Plates and Warning Labels Location

HANGCHA CBD15-A3MJ
81 pages
Print Icon
To Next Page IconTo Next Page
To Next Page IconTo Next Page
To Previous Page IconTo Previous Page
To Previous Page IconTo Previous Page
Loading...
14
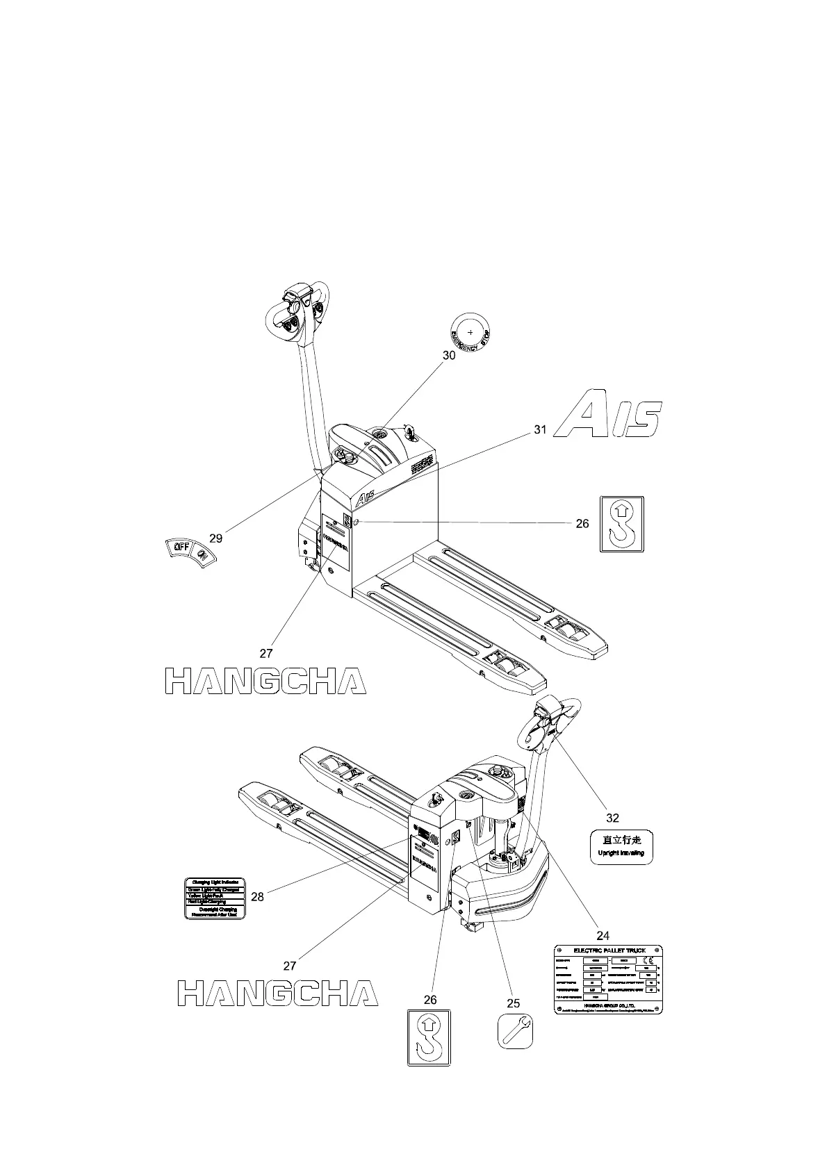
2.6 Product plates and warning labels location
Plates and labels, such as nameplate, load curve plate, warning labels must be legible, if
identification is unclear, and must be replaced.
The figure below shows the approximate location of the various identity resides. Before operating
the truck, please understand the meaning of the various identities.

Table of Contents

Related product manuals