EasyManua.ls Logo

HANGCHA CBD15-A3MJ - Hydraulic System; Hydraulic System Working Principle

HANGCHA CBD15-A3MJ
81 pages
Print Icon
To Next Page IconTo Next Page
To Next Page IconTo Next Page
To Previous Page IconTo Previous Page
To Previous Page IconTo Previous Page
Loading...
63
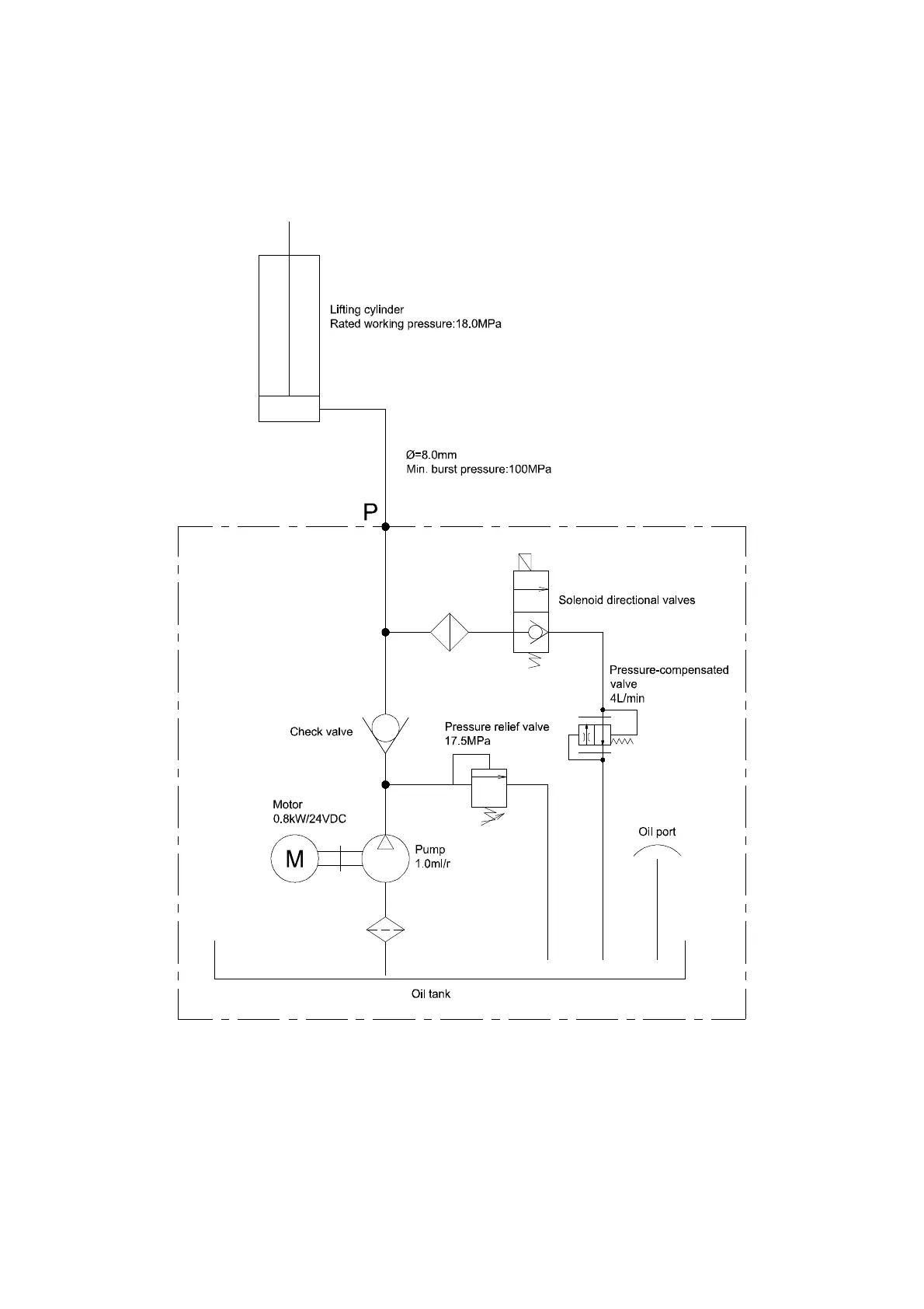
2 Hydraulic system
2.1 Hydraulic system working principle

Table of Contents

Related product manuals