EasyManua.ls Logo

Hardi COMMANDER Plus 1200 - Liquid System Operation

Hardi COMMANDER Plus 1200
72 pages
Print Icon
To Next Page IconTo Next Page
To Next Page IconTo Next Page
To Previous Page IconTo Previous Page
To Previous Page IconTo Previous Page
Loading...
24 HARDI
®
COMMANDER OPERATOR’S MANUAL
OperationOperation
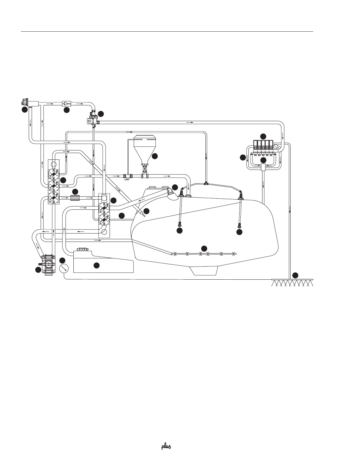
ECP PLUMBING DIAGRAM
The HARDI
®
COMMANDER Plus trailer sprayer uses a diaphragm pump with ECP control.
Take time to review and study the plumbing diagram for your sprayer. By following the flow
through the diagram, you will better understand the various functions of your sprayer system.
1. Suction filter
2. Suction manifold
3. Pump
4. Pressure manifold
5. Sparge tube agitation
6. Safety valve
7. HARDI-MATIC
8. Self-cleaning filter valve return
9. Self-cleaning filter
10. Check valve
11. Boom section valves
12. Pressure agitation return
with restrictor
13. Boom
14. Boom pressure gauge
15. Flush tank
16. HARDI
®
chemical inductor
17. Tank rinse nozzles
18. Pressure equalization return
19. Feed hose pressure return
7
10
9
4
2
12
3
14
15
6
17
17
1
5
13
11
16
8
18
19

Table of Contents

Related product manuals