EasyManua.ls Logo

Hardi COMMANDER Plus 1200 - EAGLE and FORCE Boom Hydraulics

Hardi COMMANDER Plus 1200
72 pages
Print Icon
To Next Page IconTo Next Page
To Next Page IconTo Next Page
To Previous Page IconTo Previous Page
To Previous Page IconTo Previous Page
Loading...
64 HARDI
®
COMMANDER OPERATOR’S MANUAL
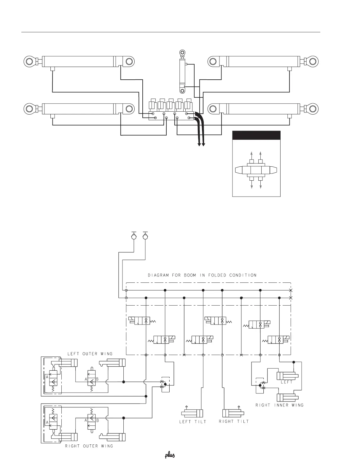
Technical specifications
AB
P
T
'DH' Optional
TO SOLENOID
VALVE BLOCK
TO TRACTOR
PARALIFT
LOCK
CYLINDER
LEFT FOLD
LEFT TILT
RIGHT TILT
RIGHT FOLD
TO TRACTOR
EAGLE™ boom hydraulics SPB-Z and SPC-Z
FORCE™ Boom hydraulics

Table of Contents

Related product manuals