EasyManua.ls Logo

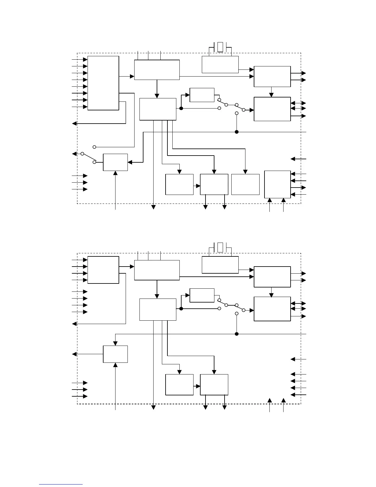
Harman Kardon AVR 3550 - Block Diagram

Harman Kardon AVR 3550
63 pages
Print Icon
To Next Page IconTo Next Page
To Next Page IconTo Next Page
To Previous Page IconTo Previous Page
To Previous Page IconTo Previous Page
Loading...
In
ut
Selector
Clock
Recovery
Clock
Generator
DAIF
Decoder
AC-3/MPEG
Detect
DEM
µP I/F
Audio
I/F
X'tal
Oscillator
PDN
INT0
P/S=”L”
LRCK
BICK
SDTO
DAUX
MCKO2
XTOXTI
RAVDDAVSS
CDTI
CDTO
CCLK
CSN
DVDD
DVSS
TVDD
MCKO1
IIC
RX0
RX1
RX2
RX3
RX4
RX5
RX6
RX7
DIT
TX0
Error &
Detect
STATUS
INT1
Q-subcode
buffer
TX1
B,C,U,VOUT
8 to 3
VIN
Serial Control Mode
In
ut
Selector
Clock
Recovery
Clock
Generator
DAIF
Decoder
AC-3/MPEG
Detect
DEM
Audio
I/F
X'tal
Oscillator
PDN
INT0
P/S=”H”
LRCK
BICK
SDTO
DAUX
XTOXTI
RAVDDAVSS
CM1
CM0
OCKS1
OCKS0
DVDD
DVSS
TVDD
IPS1
RX0
RX1
RX2
RX3
IPS0
DIF0
DIF1
DIF2
DIT
TX0
Error &
Detect
STATUS
INT1
TX1
B,C,U,VOUT
4 to 2
VIN
MCKO2
MCKO1
Parallel Control Mode

Other manuals for Harman Kardon AVR 3550

Related product manuals