EasyManua.ls Logo

Harman Kardon AVR 3550 - Page 27

Harman Kardon AVR 3550
63 pages
Print Icon
To Next Page IconTo Next Page
To Next Page IconTo Next Page
To Previous Page IconTo Previous Page
To Previous Page IconTo Previous Page
Loading...
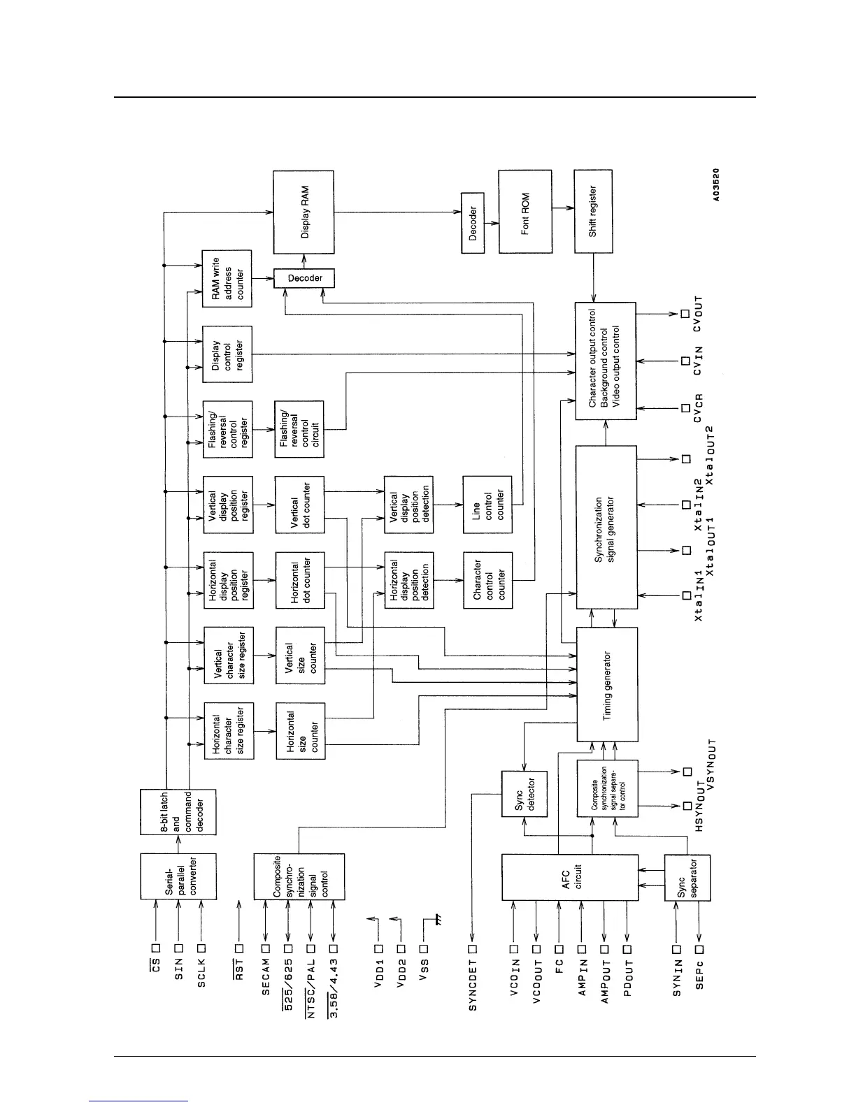
System Block Diagram
LC74763, 74763M
No. 5039-5/19

Other manuals for Harman Kardon AVR 3550

Related product manuals