EasyManua.ls Logo

Harman Kardon AVR 7550HD - Page 139

Harman Kardon AVR 7550HD
186 pages
To Next Page IconTo Next Page
To Next Page IconTo Next Page
To Previous Page IconTo Previous Page
To Previous Page IconTo Previous Page
Loading...
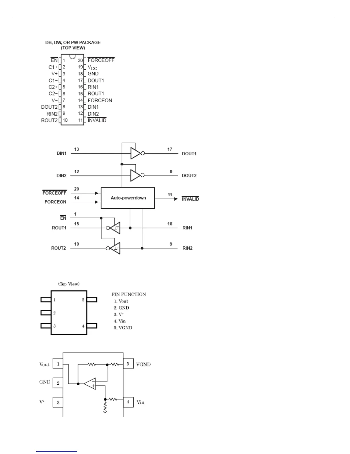
23. MAX3223CDWR (POWER IC3251)
24. NJM2505AF-TE1 (VIDEO IC1505, IC1506, IC1507)
AVR 7550HD harman/kardon
139

Other manuals for Harman Kardon AVR 7550HD

Related product manuals