EasyManua.ls Logo

Harman Studer D21m - Page 116

Harman Studer D21m
118 pages
Print Icon
To Next Page IconTo Next Page
To Next Page IconTo Next Page
To Previous Page IconTo Previous Page
To Previous Page IconTo Previous Page
Loading...
Date printed: 24.01.12
100
D21m System
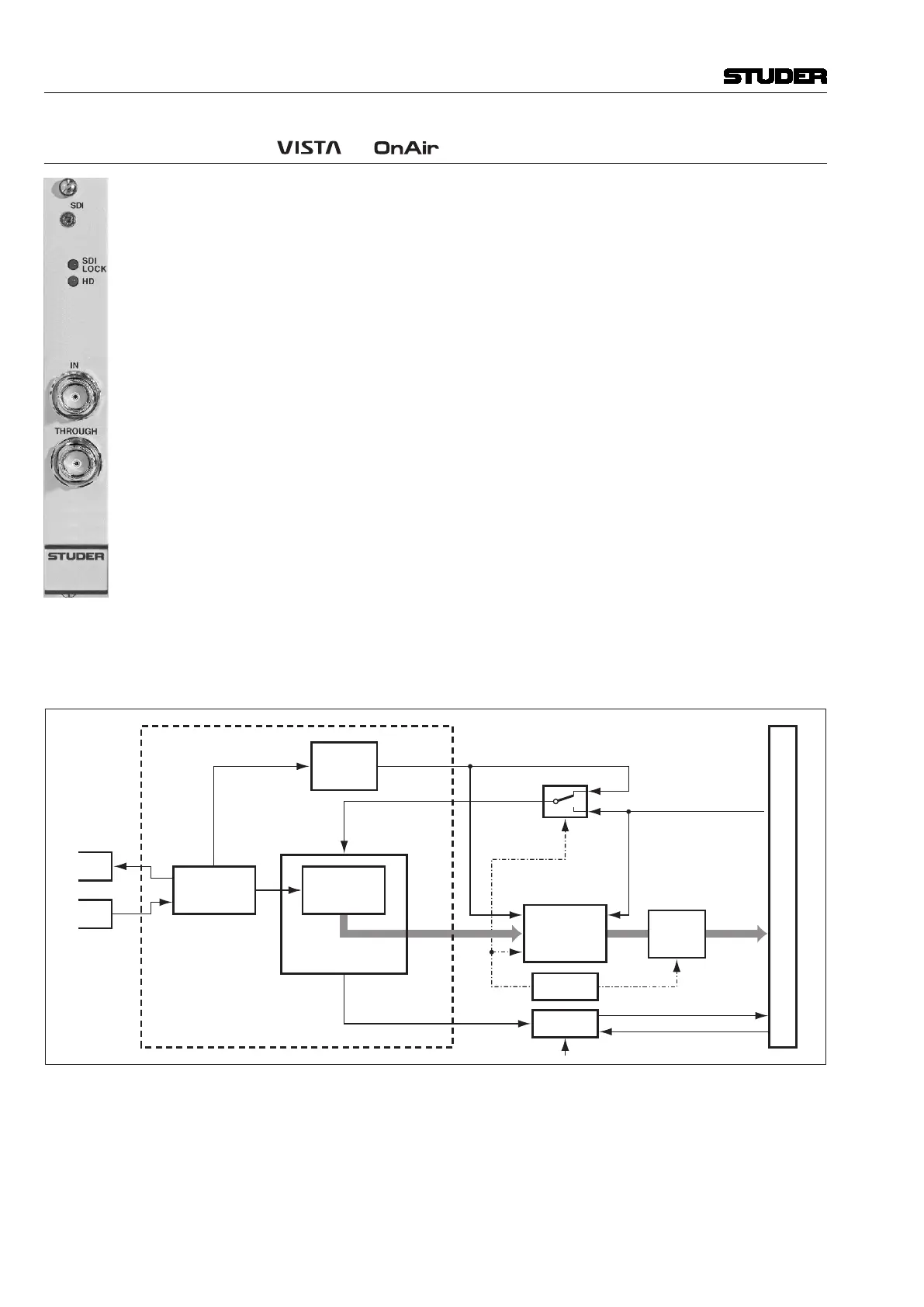
6.8.4 SDI Input Card ( and ) A949.0441
The HD/SD SDI (serial digital interface) 16-channel de-embedder card is able
to de-embed eight or 16 audio channels from SDI-SD as well as from SDI-HD
video streams. For the D21m I/O system it acts as an eight-or 16-channel
audio input card. These two modes are determined by DIP switches located
on the card.
The SDI standard defines up to 16 audio channels transmitted within a video
signal. These 16 channels are divided into four groups of four each. The user
can determine by hardware switches whether all four groups, or only groups
1&2, or only groups 3&4 will be de-embedded.
The card hosts SRCs (sampling rate converters) that are bypassed per default.
When bypassed, the SDI card is fully compatible to receiving embedded
Dolby® E audio data. The SRCs can be enabled in case the audio extracted
from the SDI stream is not in sync with the local system. This means that the
mixing console can run fully independent of the video sync used for SDI. If
the SRCs are bypassed, the card works at a sampling rate of 48 kHz only.
Operating modes 8- or 16-ch console input (de-embedder)
Selectable SDI groups 1&2, 3&4, or all
Video connectors IN, THROUGH (BNC, 75 Ω)
Audio latency* (in combination with D21m embedder card) HD: <800 µs
SD: <2.6 ms
Current consumption (5 V) 1 A
Operating temperature 0-40 °C
* Audio latency times are identical for all channels and all groups.
SD/HD
In
PLL
48 kHz
16 x SRC
Settings
Status
De-Embedder
RX
16
Master Clk
Audio In
Grp1...4
Bypass
In Clk Out Clk
Status
Clk
SDI
ID
Audio In
Grp1...4
Slave Clk
SD/HD
Thru
SDI De-Embedder Module
Backplane Connector
Selector

Related product manuals