EasyManua.ls Logo

HATO HT 600 - DIAGRAM (Optional Accessories)

HATO HT 600
20 pages
Print Icon
To Next Page IconTo Next Page
To Next Page IconTo Next Page
To Previous Page IconTo Previous Page
To Previous Page IconTo Previous Page
Loading...
12
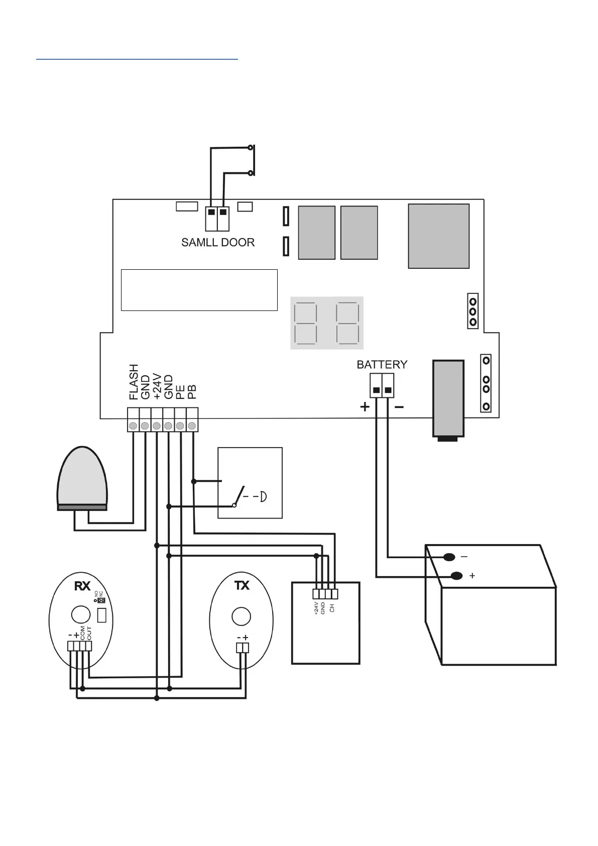
DIAGRAM (optional accessories)
DIAGRAM OF CONNECTING ADDITIONAL ACCESSORIES
NC service door switch
Fuse socket
NO button
(bell)
Universal
radio
Battery
(backup power supply)
Photocell
transmitter
Photocell
receiver
24V BEACON

Related product manuals