EasyManua.ls Logo

Heat Transfer Phoenix Evolution - Internal Wiring

Heat Transfer Phoenix Evolution
76 pages
Print Icon
To Next Page IconTo Next Page
To Next Page IconTo Next Page
To Previous Page IconTo Previous Page
To Previous Page IconTo Previous Page
Loading...
FIELD WIRING
PART 6: FIELD WIRING (CONTINUED)
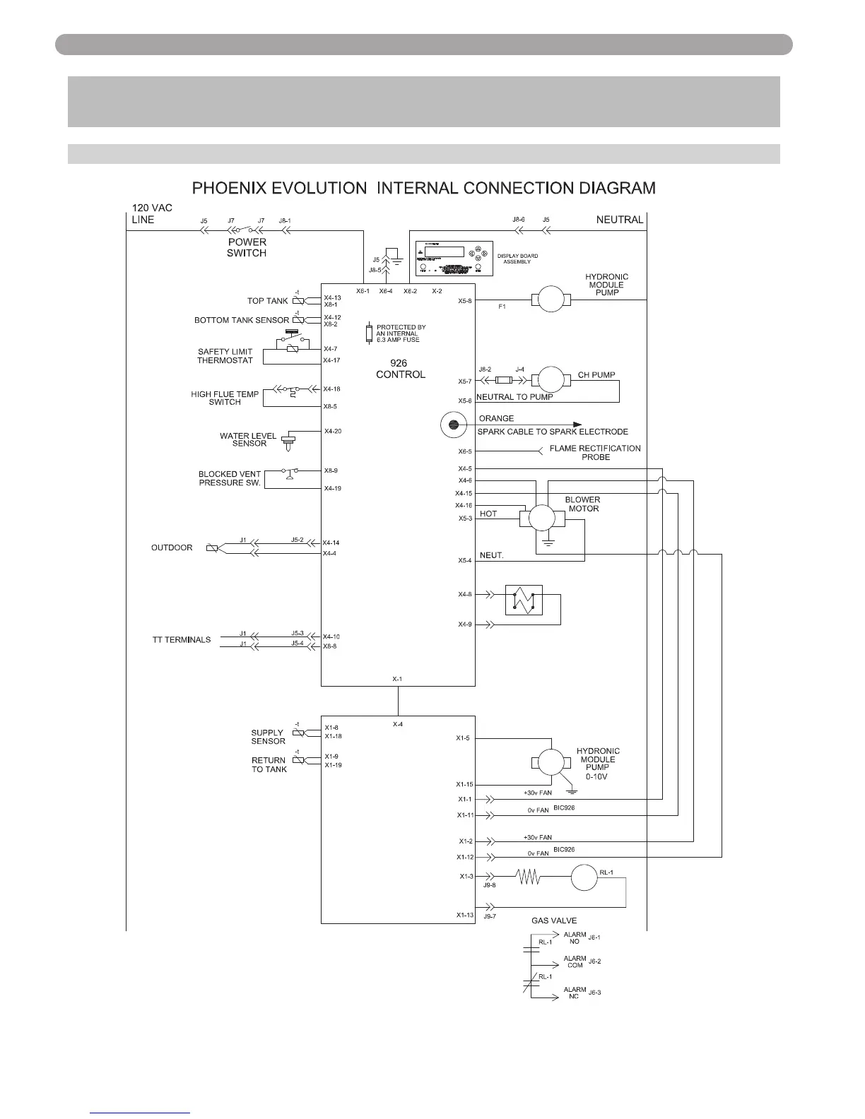
Fig. 6-2 Phoenix Evolution Internal Connection Diagram
LP-314-L
11/03/09
F. INTERNAL WIRING
25

Table of Contents

Related product manuals