EasyManua.ls Logo

Heatmaster C-250 - Page 22

Default Icon
30 pages
Print Icon
To Next Page IconTo Next Page
To Next Page IconTo Next Page
To Previous Page IconTo Previous Page
To Previous Page IconTo Previous Page
Loading...
22
HeatMaster
SS
C Series Furnace Operating Manual
240
NC
Front Light
BLK
WHT
BLK
WHT
WHT
GRN
WHT
BLK
1
2
Damper
Actuator
GRN
WHT
BLK
WHT
GRN
GREY RED
RED
RED
WHT
RED GRN
NO C
120 COM
Power
Switch
Light
Switch
Furnace
Switch
Ranco
ETC
High Limit
Switch
Temperature
Sensor
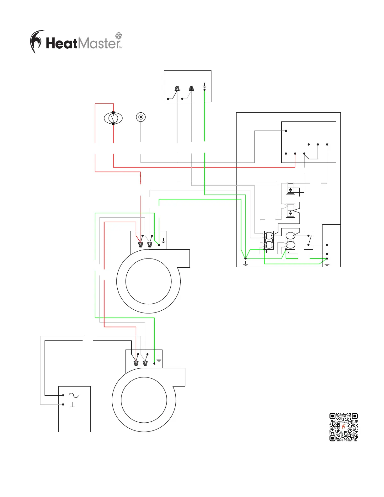
ELECTRICAL SCHEMATIC
C500/MF-10,000e
C800/MF-20,000e
5084D0181
Draft
Fan
Draft
Fan
120V
Power
Supply
Colour Copy of Wiring Diagram

Related product manuals