EasyManua.ls Logo

HELI CPCD140 - Page 36

HELI CPCD140
61 pages
Print Icon
To Next Page IconTo Next Page
To Next Page IconTo Next Page
To Previous Page IconTo Previous Page
To Previous Page IconTo Previous Page
Loading...
35
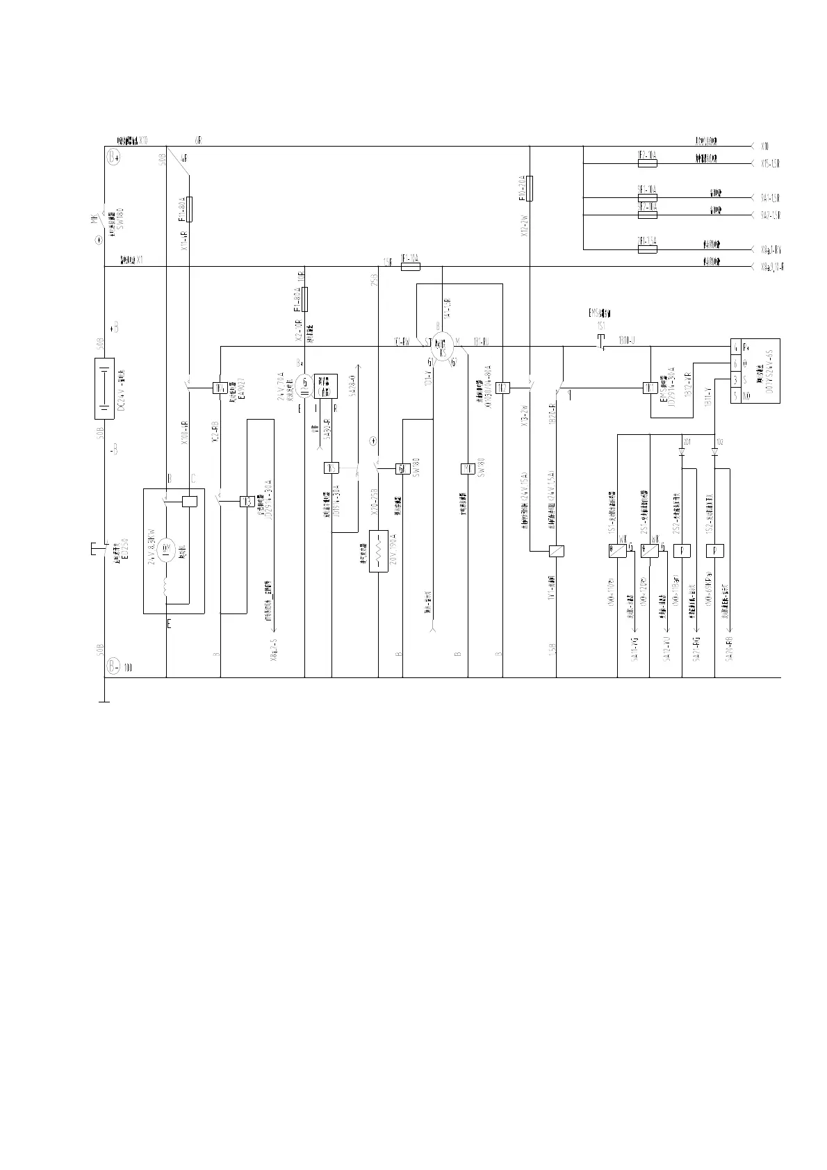
Fig.7-2.1 Electric Principle Drawing(CPCD140-160-CU1,CU2,CPCD160-CU-06I)

Related product manuals