EasyManua.ls Logo

HELI CPCD140 - Page 55

HELI CPCD140
61 pages
Print Icon
To Next Page IconTo Next Page
To Next Page IconTo Next Page
To Previous Page IconTo Previous Page
To Previous Page IconTo Previous Page
Loading...
54
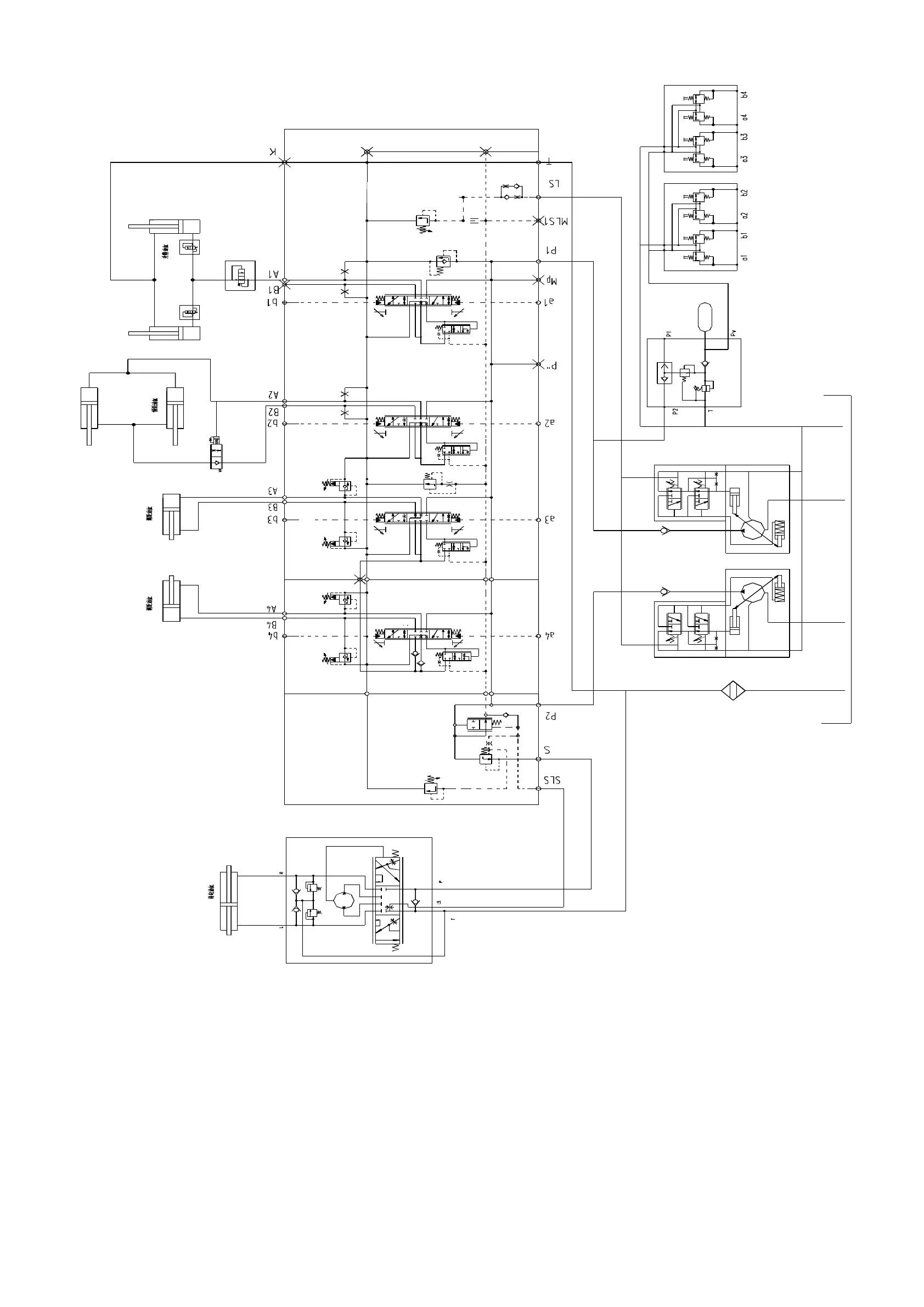
Fig.8-7 The principle of Hydraulic system diagram

Related product manuals