EasyManua.ls Logo

HELI CPD18 - Page 35

Default Icon
131 pages
Print Icon
To Next Page IconTo Next Page
To Next Page IconTo Next Page
To Previous Page IconTo Previous Page
To Previous Page IconTo Previous Page
Loading...
32
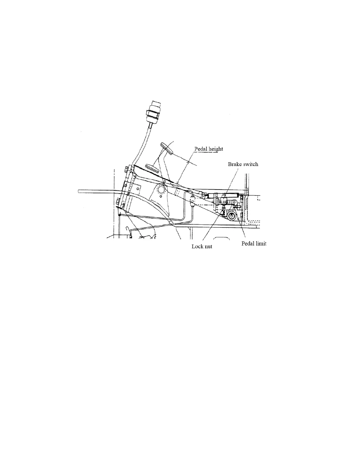
(2) Adjust the stopper bolt and the height of the pedal. (See Fig. 2-26)
(3) Press the brake pedal. Pull the push rod out until its front end comes into contact
with the master cylinder piston.
(4) Tighten the push rod locking nut.
Fig. 2-26
Brake switch adjustment
a) After you adjust the height of the brake pedal, loose the lock nut of the brake
switch.

Table of Contents

Related product manuals