EasyManua.ls Logo

HELI JS07N - Electrical Schematic Diagram

HELI JS07N
63 pages
Print Icon
To Next Page IconTo Next Page
To Next Page IconTo Next Page
To Previous Page IconTo Previous Page
To Previous Page IconTo Previous Page
Loading...
JS07N·JS07·JS08·JS12·JS14
53
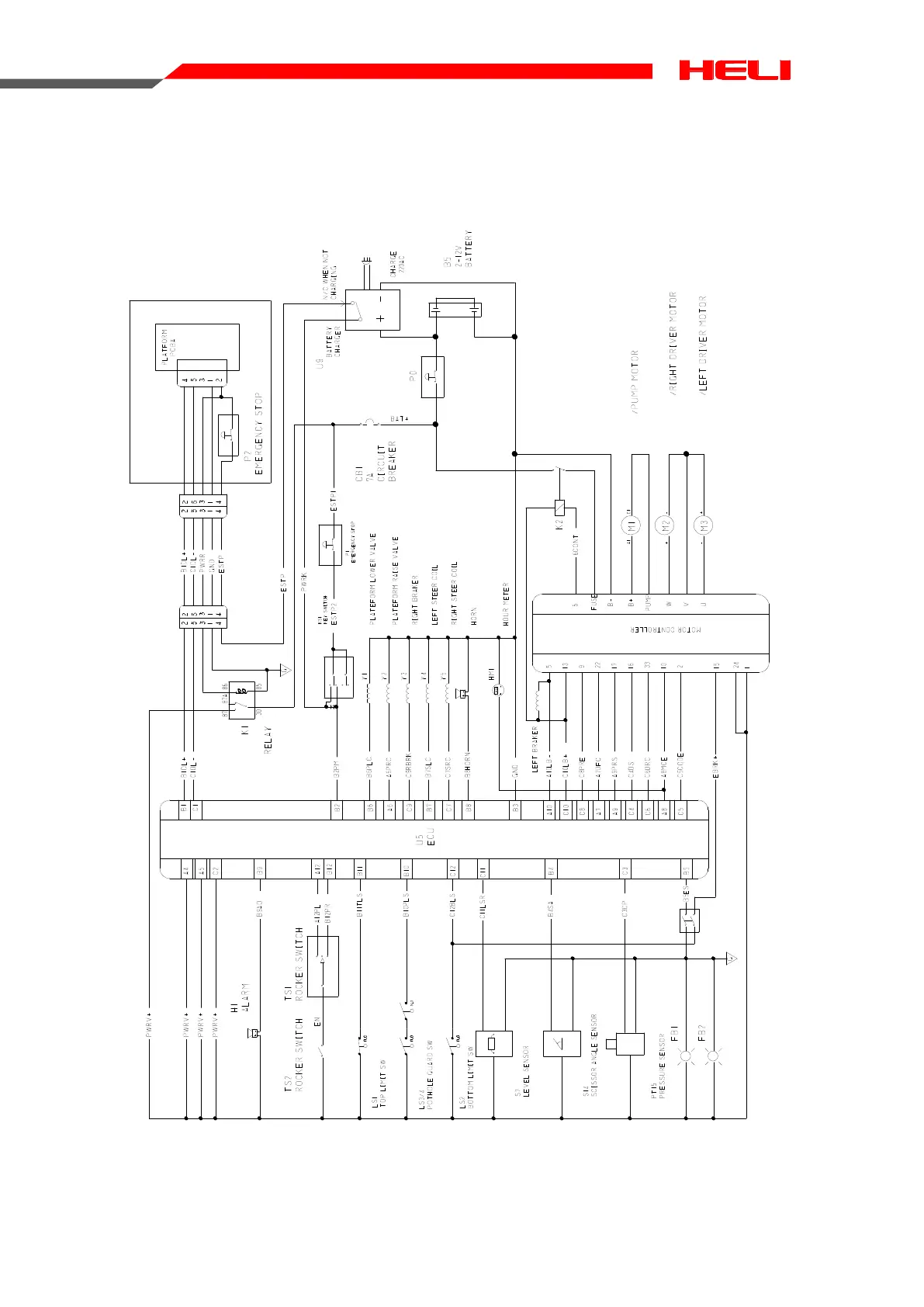
Electrical Schematic Diagram
JS0407NE,JS0407NELi
断路器
急停急停
上部控制箱
充电器
电池
平台上升阀
平台下降阀
插头
PATFORMPATFORM CONTROLLERCONTROLLER
急停急停
继电器
0V表示收起0V表示收起
叉架角度传感器叉架角度传感器
压力 ?压力 ?
坑洞保护限位开关坑洞保护限位开关
0V表示在最高点0V表示在最高点
上限
钥匙开关
倾角倾角
摇杆摇杆
蜂鸣器
小时计
摇杆摇杆
U6U6 电机
右行走电机
左行走电机
右刹车线圈
S1S1
紧急解刹开关急解刹开关
泵电机
喇叭
左转向线圈
右转向线圈
0V表示升起0V表示升起
下限 ?下限 ?
24V表示升起24V表示升起
1
3
4
B1B1
B
左刹车线圈
10 A 1 0