EasyManua.ls Logo

HF HF-LPB130 - Page 31

Default Icon
39 pages
Print Icon
To Next Page IconTo Next Page
To Next Page IconTo Next Page
To Previous Page IconTo Previous Page
To Previous Page IconTo Previous Page
Loading...
http://www.iotworkshop.com 31 Copyright © 2013 . All rights
reserved
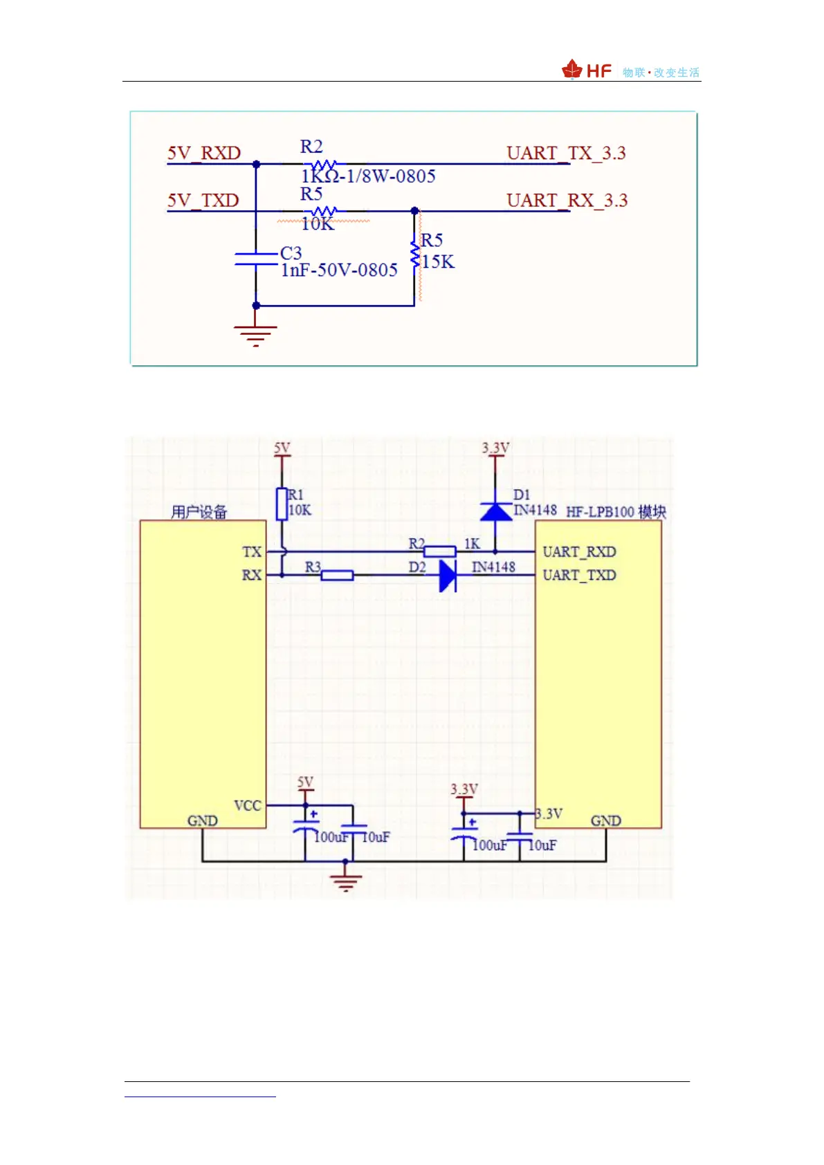
Diode buck
If the RX pin of the user equipment considers 3.3V to be high, R1, R3, and D2 can be
removed.
MOS tube compression
The most stable version of the hardware supports high-speed transmission (baud
rate 921600, etc.), but at a higher cost.

Related product manuals