EasyManua.ls Logo

HF HF-LPB130 - 6.2. Power Supply Design

Default Icon
39 pages
Print Icon
To Next Page IconTo Next Page
To Next Page IconTo Next Page
To Previous Page IconTo Previous Page
To Previous Page IconTo Previous Page
Loading...
http://www.iotworkshop.com 32 Copyright © 2013 . All rights
reserved
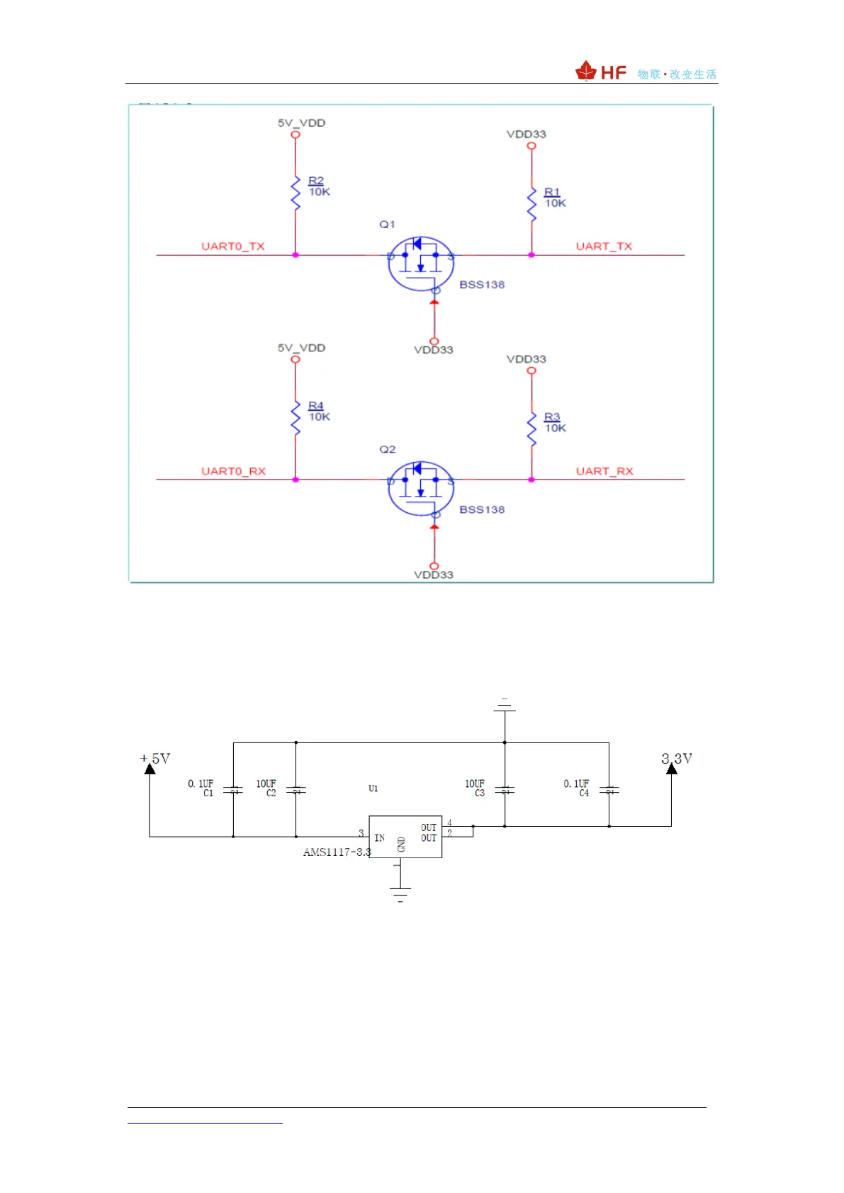
6.2. Power Supply Design
LDO method (recommended)
Input 5VDC to 3.3VDC
DC-DC method (recommended)
Input 5~18VDC to 3.3VDC

Related product manuals