EasyManua.ls Logo

Hidea HDF6 - Page 163

Hidea HDF6
202 pages
Print Icon
To Next Page IconTo Next Page
To Next Page IconTo Next Page
To Previous Page IconTo Previous Page
To Previous Page IconTo Previous Page
Loading...
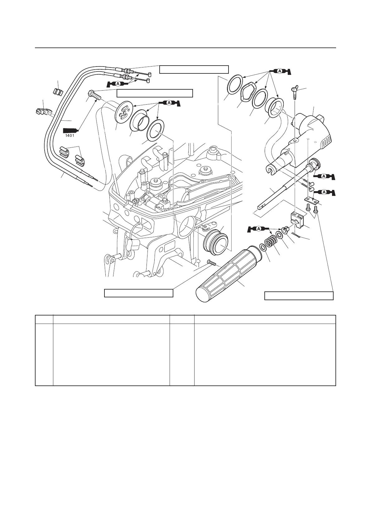
Tiller handle
No. Part name Q’ty Remarks
18 Cotter pin 1
/PUSFVTBCMF
19 Bushing 1
20 Washer 2
21 Spring 1
22 Throttle grip 1
23 Throttle grip screw 1
24 Bushing 1
2
1
5
3
6
7
8
4
3
24
20
21
20
19
18
23
22
17
14
16
15
13
12
10
9
9
11
28 N·m (2.8 kgf·m, 20.7 ft·lb)
4 N·m (0.4 kgf·m, 3.0 ft·lb)
4 N·m (0.4 kgf·m, 3.0 ft·lb)
4 N·m (0.4 kgf·m, 3.0 ft·lb)
163

Table of Contents

Related product manuals