EasyManua.ls Logo

Hidea HDF6 - Page 39

Hidea HDF6
202 pages
Print Icon
To Next Page IconTo Next Page
To Next Page IconTo Next Page
To Previous Page IconTo Previous Page
To Previous Page IconTo Previous Page
Loading...
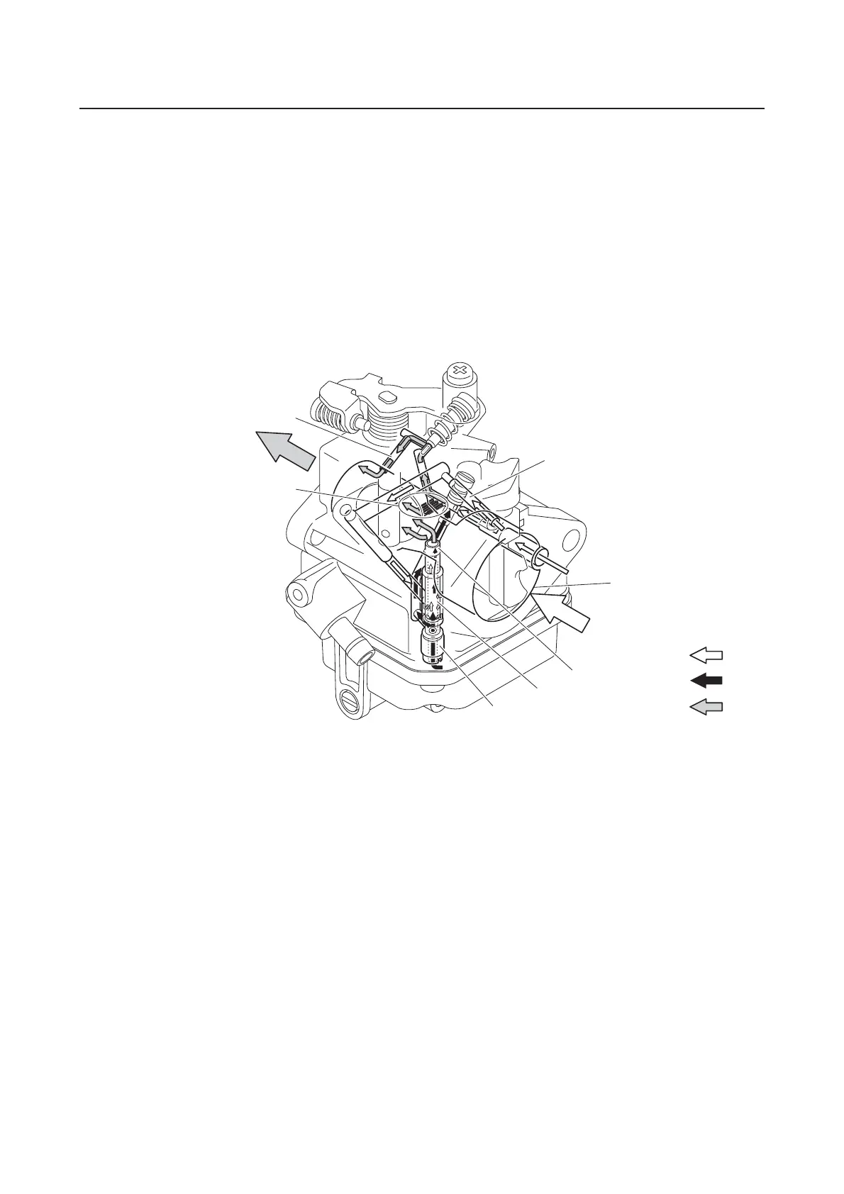
Fuel system
Medium speed operation
When r
unning at medium speed, the air that has entered through the main bore a flows faster,
causing negative pressure to increase in the main bore a.
When the negative pressure in the main bore a increases, the fuel is sucked from the main jet a to
be mixed with the air that has entered from the main air jet b through the emulsion tube c, and
then drawn into the main nozzle b.
The fuel drawn into the main nozzle b is mixed with the air in the venturi, producing air and fuel mix-
ture that will be supplied to the engine.
The air and fuel mixture is simultaneously supplied to the engine through the pilot hole d and the
bypass holes e.
A Air
B Fuel
C Air and fuel mixture
A
B
C
e
d
b
c
a
b
a
39

Table of Contents

Related product manuals