EasyManua.ls Logo

HIPOTRONICS 880PL-HD - Special Safety Instructions

Default Icon
37 pages
Print Icon
To Next Page IconTo Next Page
To Next Page IconTo Next Page
To Previous Page IconTo Previous Page
To Previous Page IconTo Previous Page
Loading...
16
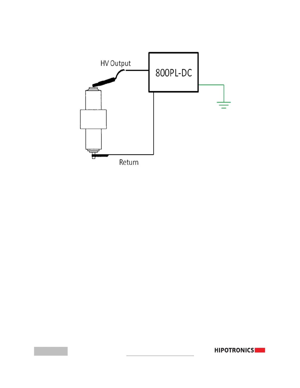
Connection and Setup
Vacuum Bottle
Special Safety Instructions
Follow these safety procedures upon completion of testing.
(a)
Turn Off Procedure
(b)
Warning!! Never press the HIGH VOLTAGE OFF pushbutton or turn
off the main power switch immediately upon completion of a high voltage test.
When stored energy is greater than 1 kilojoule, allow the energy to bleed
down until the voltmeter reading is zero.
In Automatic Mode:
Note: upon completion of test, step 1 is automatically done for you.
1. Allow the unit to automatically bleed off the voltage from the device under
test.
2. Completely discharge the cable through a resistive grounding (shorting) stick.
3. Attach a solid ground connection before touching the sample.
(c)
In Manual Mode, Especially When Completing Tests of Large Capacitive Loads
(e.g. power cables)

Related product manuals