EasyManua.ls Logo

Hitachi 32PD3000E - 42 Pd3000

Hitachi 32PD3000E
93 pages
Print Icon
To Next Page IconTo Next Page
To Next Page IconTo Next Page
To Previous Page IconTo Previous Page
To Previous Page IconTo Previous Page
Loading...
HITACHI
SM003
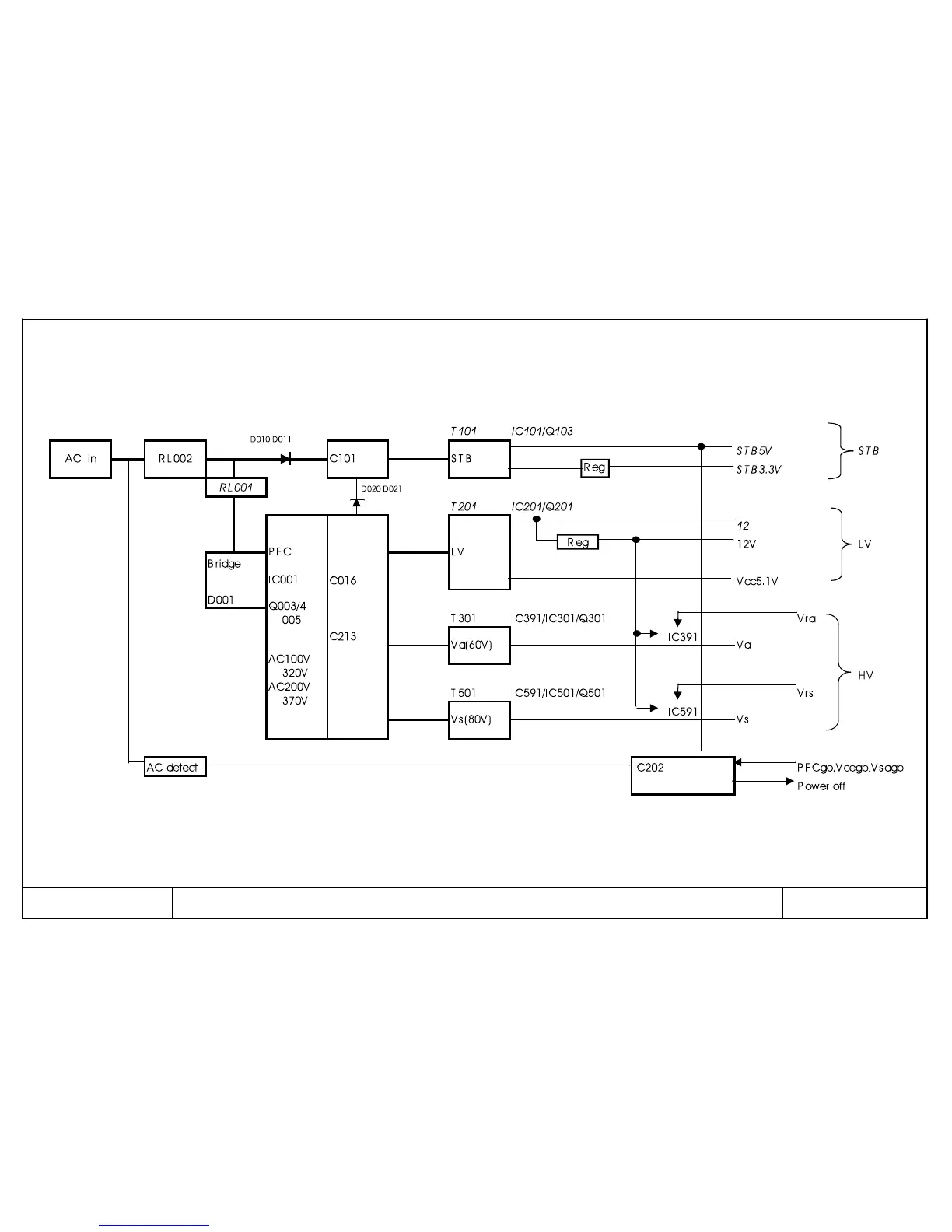
32PD3000/42PD3000 Power Supply Block Diagram

Table of Contents

Related product manuals