EasyManua.ls Logo

Hitachi HTA-DD3E - Block Diagram; System Block Diagram

Hitachi HTA-DD3E
53 pages
Print Icon
To Next Page IconTo Next Page
To Next Page IconTo Next Page
To Previous Page IconTo Previous Page
To Previous Page IconTo Previous Page
Loading...
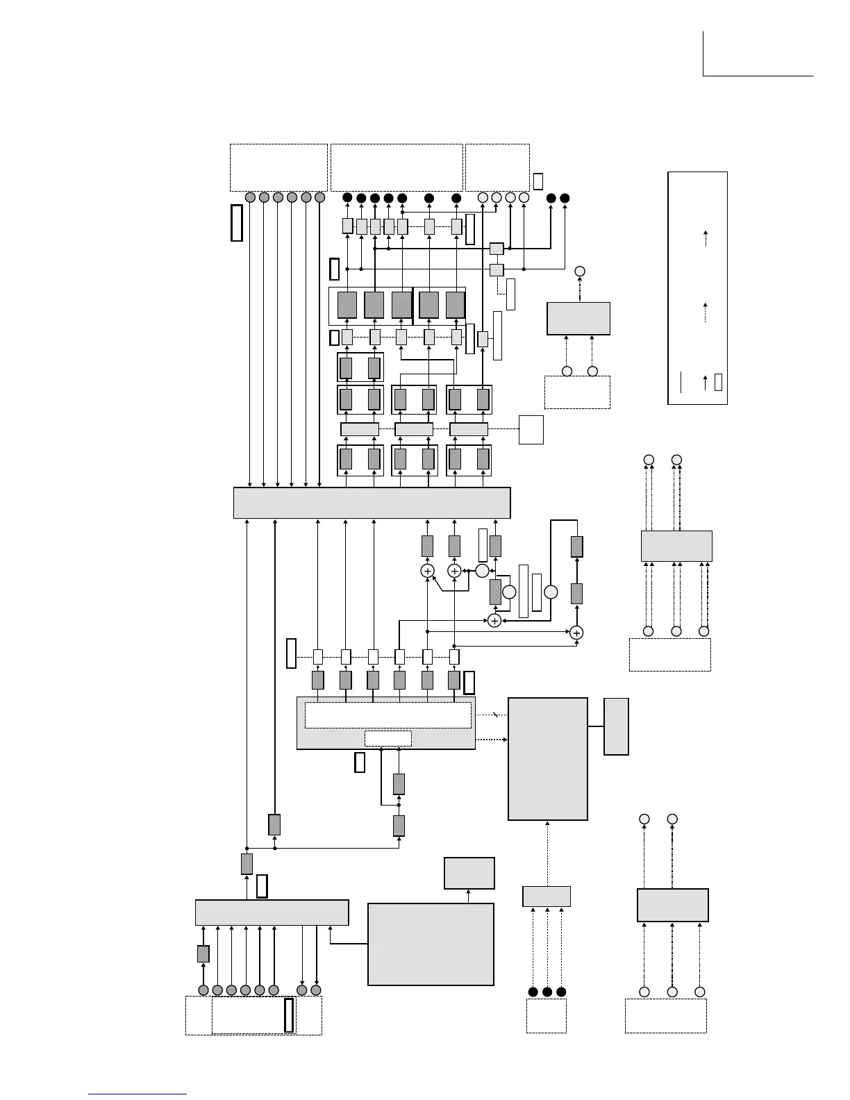
 23 
HTA-DD3
BLOCK DIAGRAM
FR
2. : ANALOG SIGNAL, : DIGITAL SIGNAL, : VIDEO SIGNAL
0dB
0dB
+
6dB
12dB 0dB
+
6dB
+
6dB
+
6dB
+
6dB
0dB
0dB
+
6dB
+
4dB
+
4dB
-
6dB
0dB
0dB
0dB
+
4.5dB
+
10.5dB
+
10dB
+
10dB
+
28dB
+
28dB
+
28dB
+
28dB
+
14dB
+
14dB
0dB
0dB
+
14dB
+
21dB
0dB
0dB
REMARKS
1. THIS DRAWING IS THE HTA-DD3 CIRCUIT BLOCK (LEVEL) DIAGRAM.
3. : u-COM CONTROL SIGNAL
+
28dB
ANALOG
PHONO
RIAA FUNCTION SW
IC102
BA4558
BF
H. P. F
BA15218 TC9273F-007
CD
DVD/VDP
TV/DBS
VCR
MD/TAPE
200mV/47k
200mV
50mV
200mV
BA4558
BF
BA15218 BA15218 ADC
+
IN
BF
A/D
IC202
ERR MUTE
SR BA15218
CODEC AK4527
D/A
SL
C BA15218
FR BA15218
SW
FL
ADC -IN
TAPE RACK
VCR REC
LA1838
TUNER BLOCK
LC7272ON
SPFRX
SDA SDB-SDD
BU4066BC
NJM2267 ROM
DVD/VDP
BA15218
BA15218
IC951
96KHz CONT
NJM2068x3
ELE. VOL
CH. TRIM
NJM2068x3
DTS SEL (CD/DVD)
F GAIN SW
PO. AMP
MIX. AMP
MIX. AMP
MIX. AMP
BA15218
SW
SW
SR
SL
SL
SR
STEREO
6CH EXT. IN SEL.
STEREO (WHEN SW)
C
CFL
BF LC7536x3
BF
BF
BF
BF
BF
PO. AMP
PO. AMP
PO. AMP
TONE CONT.
1V
TONE CONT.
MAIN AMP
IC50
IC40
24. 5V
200mV/22k
MAIN AMP
MAIN AMP
MAIN AMP
MAIN AMP
VOL. MUTE
SUBWOOFER MUTE
HP RELAY
SP. RELAY
2V
HONES Rch
HONES Lch
FRONT Rch
CENTER
SUBWOOFER
PRE OUT
FRONT Lch
SURROUND Rch
SURROUND Lch
SURROUND Rch
SUBWOOFER
SURROUND Lch
CENTER
CENTER
FRONT Rch-B
FRONT Rch-A
FRONT Lch-B
FRONT Rch
FRONT Lch
6ch EXT. IN
FRONT Lch-A
DVD
TV/DBS
COMPONENT VIDEO
BU4066BC
VCR REC
MONITOR OUTPUT
COMPONENT VIDEO FUNCTION
MONITOR OUTPUT
BA15218
PO.AMP
PO.AMP
PO.AMP
FL
FR
NJM2267
MIX. AMP L. P. F
TV/DBS
VCR
IC611
S. VIDEO S. VIDEO FUNCTION
IC201
VIDEO
DVD/VDP VCR REC
TV/DBS MONITOR OUTPUT
VCR
VIDEO FUNCTION
OPT CD
OPT DVD
OPT TV
TC74HCU04AF TC74HC151F
DIGITAL INPUT SEL.
DIGITAL INPUT
IC92
RDS
(E, EBS)
IC203
DSP
(ZR38650)

Related product manuals