EasyManua.ls Logo

Hitachi PRIMAIDE - Individual Contacts of Each Unit

Hitachi PRIMAIDE
38 pages
Print Icon
To Next Page IconTo Next Page
To Next Page IconTo Next Page
To Previous Page IconTo Previous Page
To Previous Page IconTo Previous Page
Loading...
APPENDIX - 3
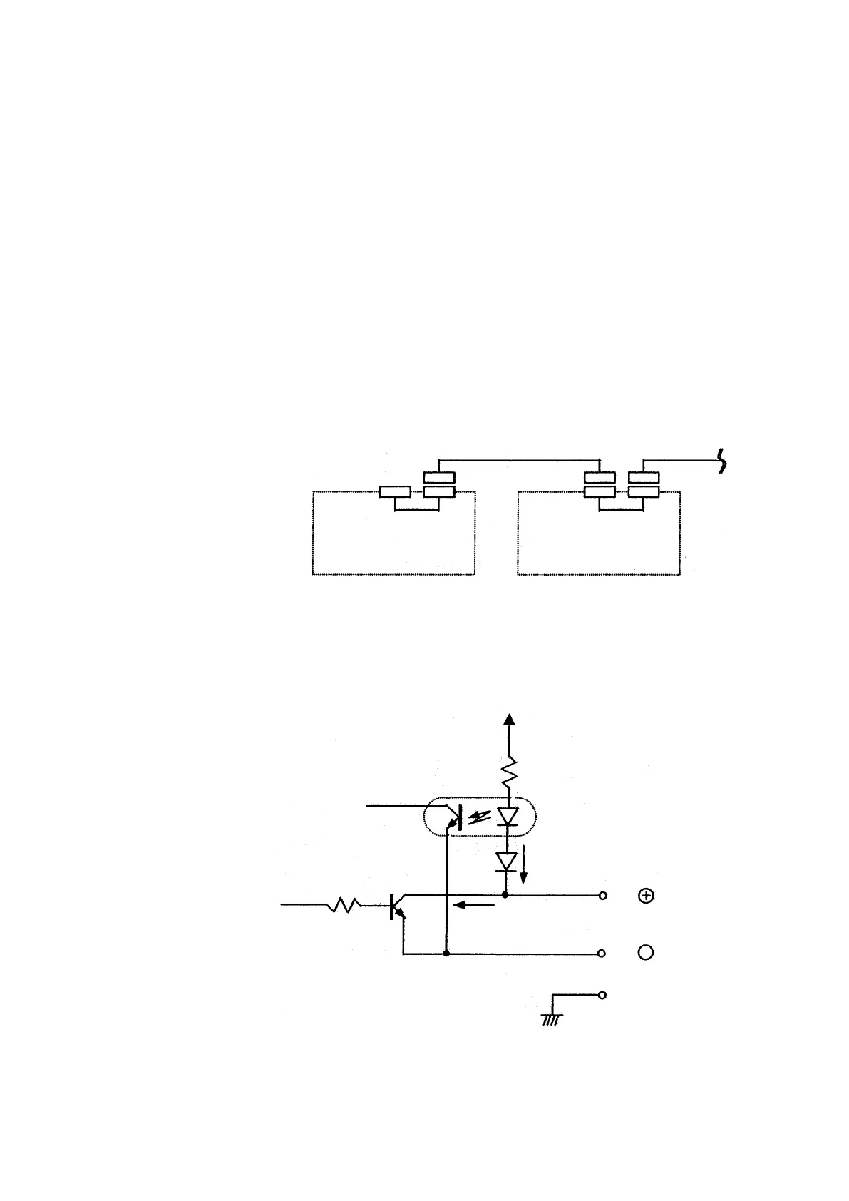
(1) Contact Signal Input Terminals
These are contact signal input terminals for control using
contact signals from an external switch, relay etc.
Shorting the terminal for 0.1 second or longer activates any
of the signals. The input circuit is shown in Figure A-3.
(2) Contact Signal Output Terminals
These are contact signal output terminals for control using
contact signals of an external unit. The output circuit is
shown in Fig. A-4. The rating of contacts used is 12 V,
0.1 A. Make sure the load connected does not exceed this
rating.
Fig. A-1 e-Line Cable Connection
Fig. A-2 e-Line Contact Circuit Configuration
3. Individual Contacts
of Each Unit
+5 V
320
IN
Max. 10 mA/unit
Max. 0.1 A
OUT 4.7 k
ON : 5 V
OFF : 0 V
Max. 12 V
(reverse polarity
not allowed)
(H)
(L)
(G)
e-Line cable
Other unit
Primaide 1000 series unit A
Primaide 1000 series unit B

Related product manuals