EasyManua.ls Logo

HOLEMAKER PRO 40 - Wiring Diagram

HOLEMAKER PRO 40
23 pages
Print Icon
To Previous Page IconTo Previous Page
To Previous Page IconTo Previous Page
Loading...
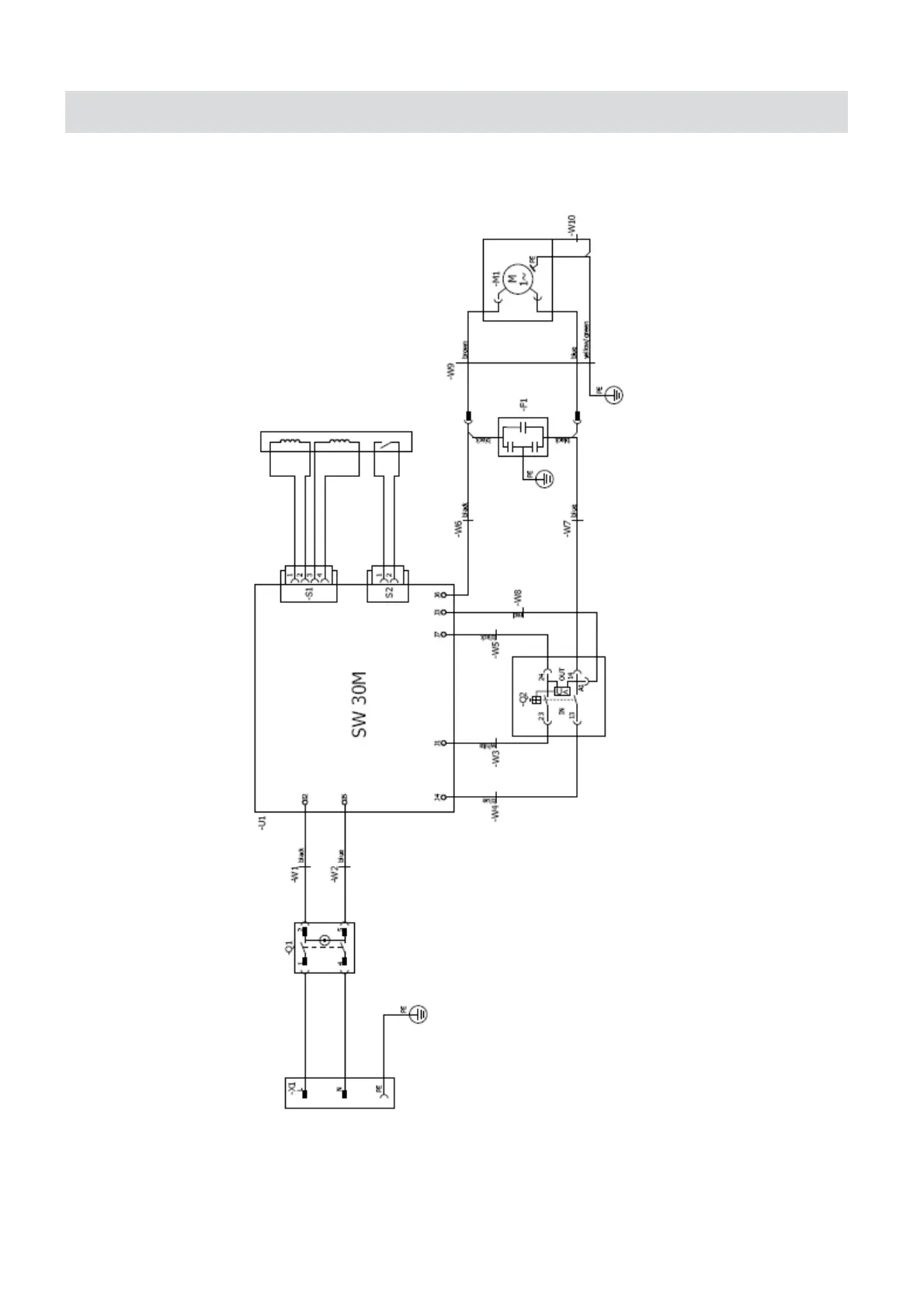
WIRING DIAGRAM
23

Related product manuals