EasyManua.ls Logo

Honda EB3000c - Consumer Information; Customer Service Information

Honda EB3000c
76 pages
Print Icon
To Next Page IconTo Next Page
To Next Page IconTo Next Page
To Previous Page IconTo Previous Page
To Previous Page IconTo Previous Page
Loading...
62
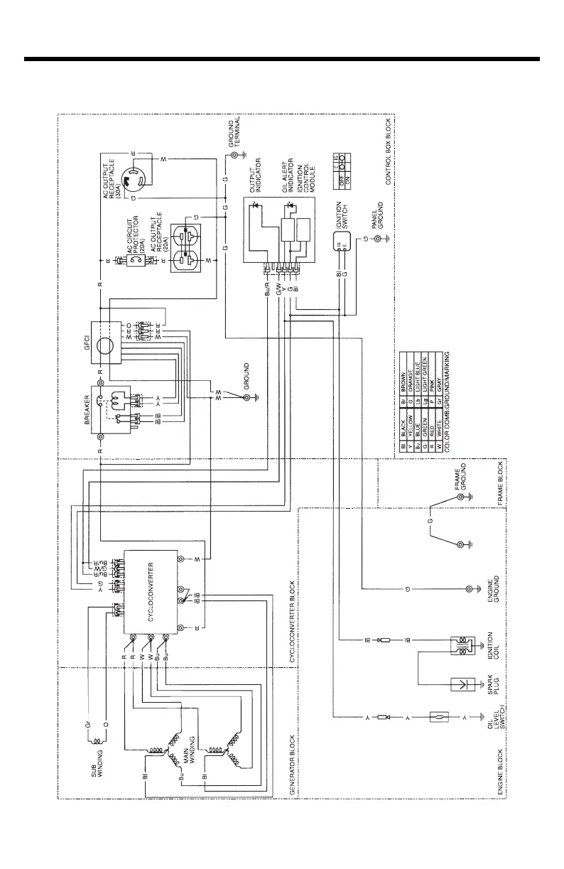
TECHNICAL INFORMATION
Wiring Diagram
31Z037210.book 62 ージ 014年1月27日 月曜日 午後12時2分

Table of Contents

Related product manuals