EasyManua.ls Logo

Honeywell MS3103J1022 - Page 20

Honeywell MS3103J1022
72 pages
To Next Page IconTo Next Page
To Next Page IconTo Next Page
To Previous Page IconTo Previous Page
To Previous Page IconTo Previous Page
Loading...
MOTEURS DE REGISTRE À RESSORT DE RAPPEL DE SÉRIE 3 NM
31-00141M—06 8
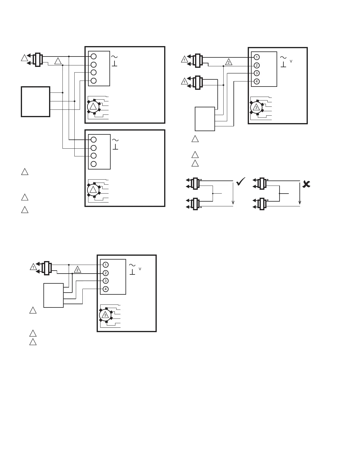
Fig. 16. Câblage à commande modulante (0/2-10 V CC)
proportionnelle actionnant plusieurs actionneurs,
MS75 (montrée) et MS71.
Fig. 17. Câblage pour le contrôle du BUS SYLK, MS3103.
Fig. 18. Câblage pour le contrôle du BUS SYLK avec des
transformateurs distincts, MS3103.
FONCTIONNEMENT
L’actionneur est conçu pour être utilisé dans les
installations de ventilation et de climatisation pour
actionner les vannes, les volets et les persiennes. (Voir la
section Spécifications pour les valeurs nominales.) En cas
de panne de courant, l’actionneur rappelle le ressort à la
position de sécurité.
Lorsque vous utilisez un régulateur à commande
proportionnelle et que l’actionneur est réglé à la position
(0)2-10, l’actionneur passe en position complètement
ouverte lorsque le signal d’entrée augmente; l’actionneur
passe en position complètement fermée lorsque le signal
d’entrée diminue. L’actionneur s’arrête lorsque le signal
d’entrée atteint le point de commande proportionnelle
souhaitée. Cette opération est inversée au réglage à la
position 10-2(0).
IMPORTANT
L’actionneur est conçu pour répondre aux
fermetures instantanées des contacts du
contrôleur RND. Prenez garde de ne pas raccourcir
le cycle de l’actionneur. La régulation instable du
volet pourrait entraîner une panne précoce de
l’actionneur.
RÉGULATEUR À
COMMANDE
PROPORTIONNELLE
0/2 À 10 V CC
24 V CA
1
1
2
3
2
TENSION D’ALIMENTATION.
AU BESOIN, PLACEZ UN
DISPOSITIF DE COUPURE ET
UNE PROTECTION CONTRE
LES SURCHARGES.
ALIMENTATION 24 V CC
ACCEPTÉE.
RÉGLEZ LE COMMUTATEUR À
MODULATION, SI POSSIBLE.
V
+
RÉTROACTION
4
3
1
2
MF37322
3
V
4
3
1
2
3
CLASSE 2
ACTIONNEUR
2-10 V CC
10-2 V CC
0-10 V CC
10-0 V CC
FLOTTANT, MARCHE AVANT
FLOTTANT, MARCHE ARRIÈRE
0°-90°/MODULATION
90°-0°/RÉTROACTION
ROUGE
NOIR
BRUN
BLANC
ACTIONNEUR
2-10 V CC
10-2 V CC
0-10 V CC
10-0 V CC
FLOTTANT, MARCHE AVANT
FLOTTANT, MARCHE ARRIÈRE
0°-90°/MODULATION
90°-0°/RÉTROACTION
ROUGE
NOIR
BRUN
BLANC
1
2
3
CHAUD
COM
CONTRÔLEUR
ALIMENTATION DE TENSION DE
LIGNE. FOURNIR DES MOYENS
DE DÉCONNEXION ET UNE
PROTECTION CONTRE LES
SURCHARGES, SI NÉCESSAIRE.
ALIMENTATION 24 V CC ACCEPTÉE.
SÉLECTEUR D'ADRESSE
S-BUS
S-BUS
24 V CA
CLASSE 2
S-BUS
S-BUS
ROUGE
NOIR
BRUN
BRUN
ACTIONNEUR
ADRESSE 11
ADRESSE 12
ADRESSE 13
ADRESSE 14
ADRESSE 15
TEST
1
2
3
ALIMENTATION DE TENSION DE LIGNE. FOURNIR DES MOYENS
DE DÉCONNEXION ET UNE PROTECTION CONTRE LES
SURCHARGES, SI NÉCESSAIRE.
ALIMENTATION 24 V CC ACCEPTÉE.
SÉLECTEUR D'ADRESSE
REMARQUES : Lors de l'utilisation de deux transformateurs dans l’installation,
assurez-vous de connecter les pattes correspondantes des enroulements
secondaires comme étant communes. Vérifiez la tension comme indiqué sur
l’image et assurez-vous qu’elle est inférieure à 30 V c.a. Si tel n’est pas le cas,
remplacez les pattes d’un enroulement secondaire.
24 V CA
CLASSE 2
24 V CA
CLASSE 2
24 V CA
CLASSE 2
24 V CA
CLASSE 2
VERS L'ACTIVATEUR CHAUD
VERS LE CONTRÔLEUR CHAUD
COMMUN
> 30 V C.A.
COMMUN
> 30 V C.A.
VERS L'ACTIVATEUR CHAUD
VERS LE CONTRÔLEUR CHAUD
24 V CA
CLASSE 2
24 V CA
CLASSE 2
CHAUD
COM
CONTRÔLEUR
S-BUS
S-BUS
ROUGE
NOIR
BRUN
BRUN
ACTIONNEUR
ADRESSE 11
ADRESSE 12
ADRESSE 13
ADRESSE 14
ADRESSE 15
TEST

Related product manuals