EasyManua.ls Logo

Honeywell R841C-E - Fig. 7-R841 D Internal Schematic and Connection Diagram for One Relay; Fig. 8-Connections for Four R841 D Relays and Thermostats Used with One Transformer; Fig. 9-Connections for Two R841 D Relays Used with One Transformer and Thermostat

Honeywell R841C-E
7 pages
Print Icon
To Next Page IconTo Next Page
To Next Page IconTo Next Page
To Previous Page IconTo Previous Page
To Previous Page IconTo Previous Page
Loading...
fAf
~~
Ll (HOT) L2
2-
WIRE
R841C
24
V
\
THERMOSTAT
BLUE
RED
@
ELEcTRIc
o
BLACK
\ll
HEATER
NO.
1
1
e
J
RE515TANCE
RED
HEATER
*
TRANSFORMER
r
-%
R841D RELAV
ACK
RED
WHITE
.
LOAD
R841D RELAY
. . . .
~
---
b
..
W,FI.
LOW VOLTAGE
THE
RMOSTAT
I
2.WIRE
LOW VOLTAGE
THERMOSTAT
m
A
RED
1+
WHITE
(>
LOAD
2.WIRE
R841D RELAY Low VOLTAGE
THERMOSTAT
4
BLACK RED
A
1
(
)
qED
LOAD
,
“,,0.
J’J
PC3WERS”PPLY. PROVIDEA DI*CONNECTMEANS
TO
S,
M”LTANEO”,LY
DE-ENERGIZE ALL VOLTAGE S
OURCES. PROVIDE OVERLOAD PROTECTION
AS REQUIRED,
,,.,
~
POWER
S”PPL”.
PROVIDE DISCONNECT MEANSANI)OVERLOAD
PRO.
TECTION AS REQuIRED,
,,,.
.
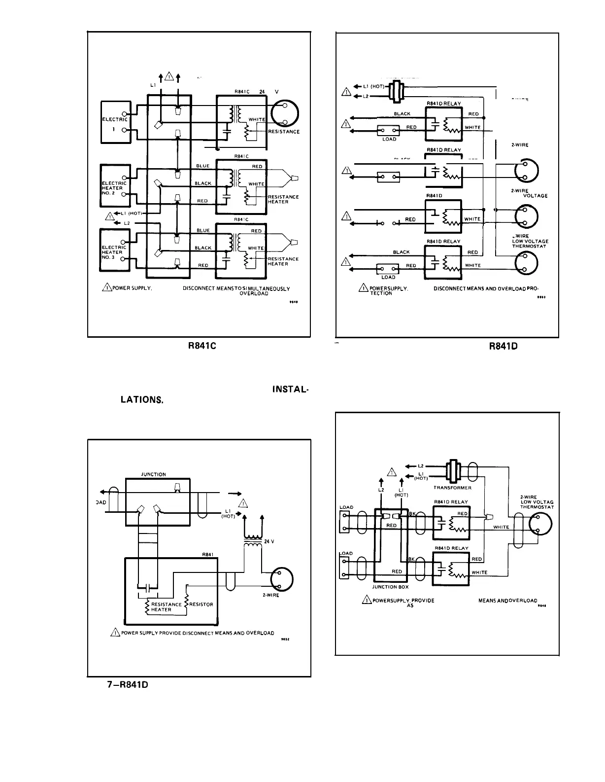
FIG. 6–TWO OR MORE
R841C
RELAYS CONNECT-
FIG. 8–CONNECTIONS FOR FOUR
R841D
RELAYS
ED TO ONE THERMOSTAT SO THEY OP-
ERATE IN SEQUENCE ABOUT ONE MINUTE
APART. THIS REDUCES THE INITIAL LINE
LOAD ON LARGE KILOWATT
iNSTAL-
LATIONS. SET THE THERMOSTAT HEAT
AND THERMOSTATS USED WITH ONE
TRANSFORMER. SET EACH THERMOSTAT
HEAT ANTICIPATOR AT 0.2 A.
ANTICIPATOR AT 0.2A.
E
IUNCTION BOX
4~
D
n
L2
~
>AO
J?%
A
4
(H:T)~
w
(
z
)
LJ
REMOTE
=24V
~
TRANSFORMER
RED
BLACK
R841
D
RED
n
WHITE
-1+
u
2.WIRE
DROPPING
LOW VOLTAGE
RE515ToR
THERMOSTAT
A
POWER S”PPLY, PROVIDE DISCONNECT MEAN, AND OVERLOAD ,,a,
PROTECTION
AS
REQuIRED.
I
J
~
Pow,,
5LIW’L”
PROV,CIEC)ISCONNECT
MEANS AND OV,I?LCIAD
PROTECTION AS REQUIRED.
..,,
FIG. 9–CONNECTIONS FOR TWO R841D RELAYS
USED WITH ONE TRANSFORMER AND
THERMOSTAT. SET THERMOSTAT HEAT
ANTICIPATOR AT 0.4 A.
FIG.
7–R841D INTERNAL SCHEMATIC AND CON-
NECTION DIAGRAM FOR ONE RELAY.
5
60-2004–1

Related product manuals