EasyManua.ls Logo

Honeywell SCS-8

Honeywell SCS-8
210 pages
To Next Page IconTo Next Page
To Next Page IconTo Next Page
To Previous Page IconTo Previous Page
To Previous Page IconTo Previous Page
Loading...
SCS Series Manual — P/N 15712:L 7/18/16 173
HVAC Wiring Diagrams Ratings and Wiring Diagrams
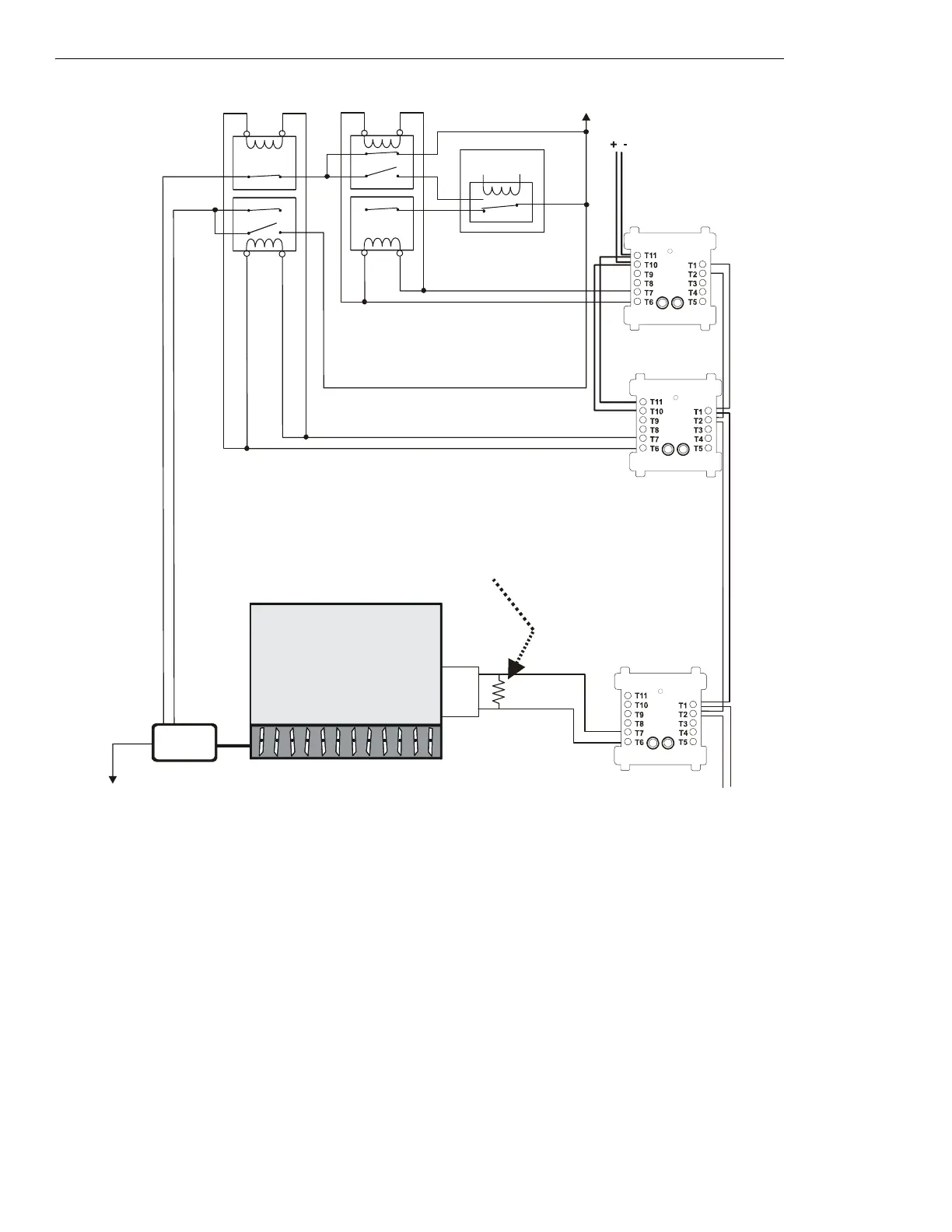
Figure 5.64 Motorized Damper Control - HVAC Switch Group Type 13
Figure 5.64 depicts a motorized damper in an HVAC system with the capability of
OPEN and CLOSED control and verification of the CLOSED
state, switch group type 13. In the above configuration, the CON
ONOP
CM is activated and the CON
OFFCL
CM is deactivated. Under normal
operation (non-smoke control mode) both control modules would be deactivated, allowing the EMS system to freely control the damper. The
CON
ONOP
CM controls two contactors: a normally closed contactor for the damper closed power line, and a dual normally open/normally
closed contactor for the damper open power line. The CON
OFFCL
CM controls two contactors: a normally closed contactor for the damper
open power line and a dual normally open/normally closed contactor for the damper close power line. When the CON
ONOP
CM is activated,
the CON
OFFCL
CM is deactivated and vice versa. When the CON
ONOP
CM is activated, the normally closed contactor is opened (cutting any
power supplied by the EMS to the damper closed power line), the normally closed portion of the dual contactor is opened (cutting any power
supplied by the EMS to the damper open power line), and the normally open portion of the dual contactor is closed, thus supplying power to
open the damper.
When power is supplied to the damper open power line, the damper opens. When the damper completely opens, the damper open limit
switch is
CLOSED, indicating that the damper is in the OPEN position. The VER
OFFCL
MM monitors the CLOSED position of the damper closed
limit switch. In this case the VER
OFFCL
MM is deactivated because the damper is OPEN.
Power Source
Damper
Open
Power
ELR-47K
(use 3.9K listed ELR with FZM-1)
N/O
COM
Power Return
Listed
24 VDC
Power Source
FMM-1
DMO-h13a-fs-2.wmf
SLC Loop
CON
ON/OP
CM
(activated)
VER
OFF/CL
MM
(deactivated)
Limit Switch
for closed
position
Damper
Closed
Power
AC
MOTOR
DAMPER
OPEN
FCM-1
FCM-1
CON
OFF/CL
CM
(deactivated)
1a, 1b listed contactor
1b listed
contactor
Energy
Management
System
1b listed contactor
1b, 1a
listed
contactor
*If the SLC device
does not match the
one in this figure,
refer to the SLC
manual appendix,
which contains wiring
conversion charts for
type V and type H
modules.

Table of Contents

Related product manuals