EasyManua.ls Logo

Honeywell SCS-8

Honeywell SCS-8
210 pages
To Next Page IconTo Next Page
To Next Page IconTo Next Page
To Previous Page IconTo Previous Page
To Previous Page IconTo Previous Page
Loading...
174 SCS Series Manual — P/N 15712:L 7/18/16
Ratings and Wiring Diagrams HVAC Wiring Diagrams
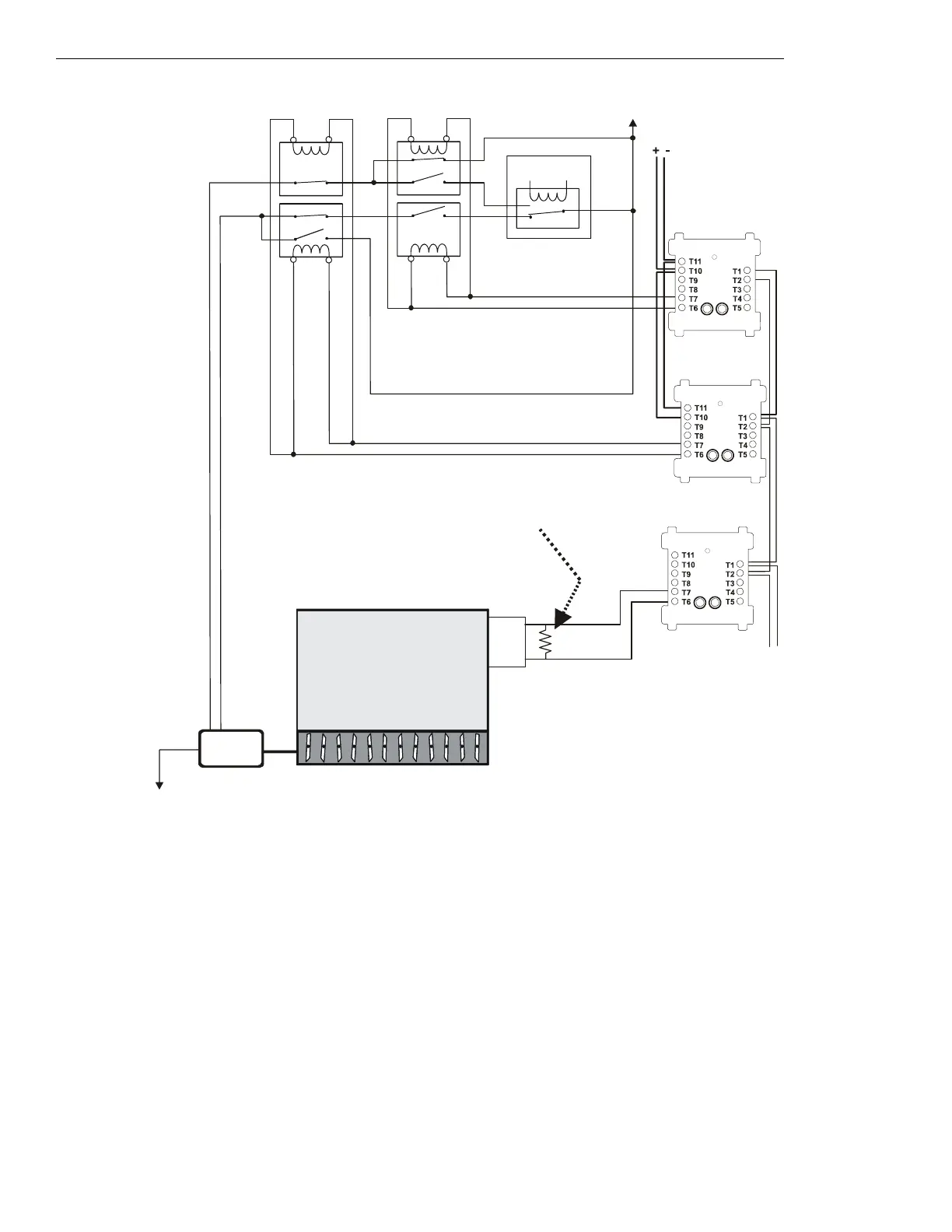
Figure 5.65 Motorized Damper Control - HVAC Switch Group Type 14
Figure 5. depicts a motorized damper in an HVAC system with the capability of
OPEN and CLOSED control and verification of the OPEN state,
switch group type 14. In the above configuration, the CON
ONOP
CM is activated and the CON
OFFCL
CM is deactivated. Under normal oper-
ation (non-smoke control mode) both control modules would be deactivated, allowing the EMS system to freely control the damper. The
CON
ONOP
CM controls two contactors: a normally closed contactor for the damper closed power line, and a dual normally open/normally
closed contactor for the damper open power line. The CON
OFFCL
CM controls two contactors: a normally closed contactor for the damper
open power line, and a dual normally open/normally closed contactor for the damper close power line. When the CON
ONOP
CM is activated,
the CON
OFFCL
CM is deactivated, and vice versa. When the CON
ONOP
CM is activated, the normally closed contactor is opened (cutting any
power supplied by the EMS to the damper closed power line), the normally closed portion of the dual contactor is opened (cutting any power
supplied by the EMS to the damper open power line), and the normally open portion of the dual contactor is closed, thus supplying power to
open the damper.
When power is supplied to the damper open power line, the damper opens. When the damper completely opens, the damper open limit
switch is
CLOSED, indicating that the damper is in the OPEN position. The VER
ONOP
MM monitors the CLOSED position of the damper open
limit switch. In this case the VER
ONOP
MM is activated because the damper is OPEN.
Power Source
Damper
Open
Power
ELR-47K
(use 3.9K listed ELR with FZM-1)
Power Return
Listed
24 VDC
Power Source
DMO-h14a-fs-2.wmf
SLC Loop
CON
ON/OP
CM
(activated)
Damper
Closed
Power
AC
MOTOR
DAMPER
OPEN
FCM-1
FCM-1
CON
OFF/CL
CM
(deactivated)
1a, 1b listed contactor
1b listed
contactor
Energy
Management
System
1b listed contactor
1b, 1a
listed
contactor
FMM-1
VER
ONOP
MM
(activated)
N/O
COM
Limit Switch
for open
position
*If the SLC device
does not match the
one in this figure,
refer to the SLC
manual appendix,
which contains
wiring conversion
charts for type V and
type H modules.

Table of Contents

Related product manuals