EasyManua.ls Logo

Honeywell W7212

Honeywell W7212
36 pages
To Next Page IconTo Next Page
To Next Page IconTo Next Page
To Previous Page IconTo Previous Page
To Previous Page IconTo Previous Page
Loading...
SOLID STATE ECONOMIZER SYSTEM
63-2484—03 26
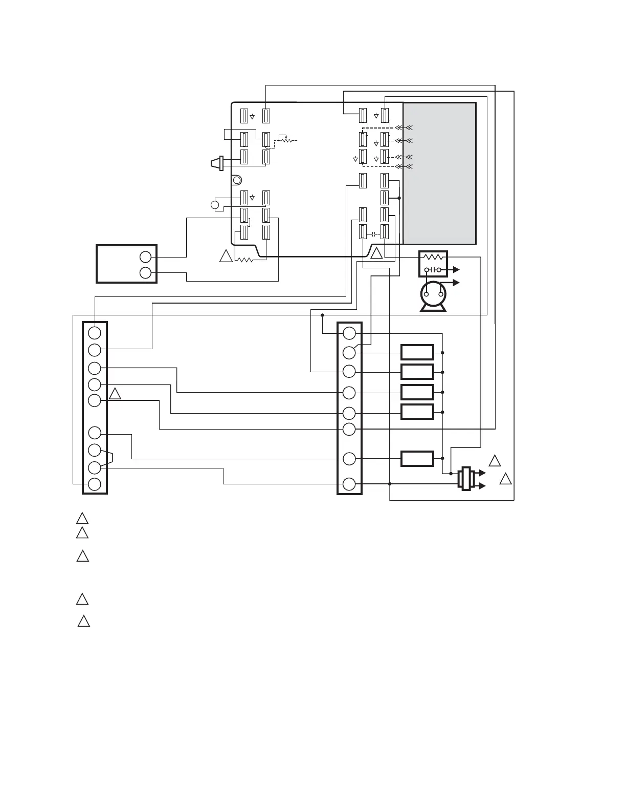
Fig. 33. W7212 used with M7215 Damper Motor and TB7220 or TB8220 Thermostats.
POWER SUPPLY. PROVIDE DISCONNECT MEANS AND OVERLOAD PROTECTION AS REQUIRED.
ENSURE THAT TRANSFORMER IS SIZED TO HANDLE THE EXTRA LOAD OF THE ECONOMIZER AND ACTUATOR.
THE SAME TRANSFORMER CAN BE USED FOR THE THERMOSTAT AND ACTUATOR.
IF SEPARATE HEATING AND COOLING TRANSFORMERS ARE USED, REMOVE JUMPER AT THERMOSTAT.
TB7220 - TERMINAL “A” IS POWERED BY THE COOLING TRANSFORMER (RC).
TB8220 - TERMINAL “A” IS POWERED BY THE HEATING TRANSFORMER (R).
IF POWERING THE ECONOMIZER TERMINAL “N” WITH THE THERMOSTAT TERMINAL “A”, BE SURE THE ECONOMIZER IS POWERED BY THE
SAME TRANSFORMER AS TERMINAL “A”. IF NOT, USE AN ISOLATION RELAY TO POWER “N”.
FACTORY INSTALLED 620 OHM, 1 WATT, 5% RESISTOR SHOULD NOT BE REMOVED. DIFFERENTIAL ENTHALPY NOT RECOMMENDED FOR USE
WITH SINGLE-STAGE COOLING SYSTEMS OR SINGLE-STAGE COOLING THERMOSTATS.
EF AND EF1 ARE DRY CONTACTS IN THE LOGIC MODULE.
M13658
S
1
2
3
2
+
4
5
C7400
OUTDOOR
AIR
ENTHALPY
SENSOR
L1
(HOT)
L2
FAN
HEAT 1
HEAT 2
COOL 1
HVAC EQUIPMENT
TERMINAL STRIP
TB7220 OR TB8220
THERMOSTAT
1
C
G
W1
A
Y1
Y2
R
W2
RC
R
G
X
W1
Y1
Y2
W2
A
COOL 2
N1
P1
T1
SR
SO
AQ
EF1
EXHAUST
FAN
L1
(HOT)
L2
4
EF
3
5
2 1
TR
MINIMUM POSITION
ADJUSTMENT
P
T
AQ1
SO+
SR+
TR1
24 Vac
COM
24 VAC COM
24
Vac
HOT
2-10 VDC CONTROL
+
4
620 OHM
RESISTOR
C7150B MIXED
AIR OR C7046A
DISCHARGE
AIR SENSOR
+
0/2-10 VDC
INDOOR AIR
SENSOR
N
24 VAC HOT
SIGNAL INPUT
W7212
M7215
5
3

Other manuals for Honeywell W7212

Related product manuals