EasyManua.ls Logo

Honeywell W7212

Honeywell W7212
36 pages
To Next Page IconTo Next Page
To Next Page IconTo Next Page
To Previous Page IconTo Previous Page
To Previous Page IconTo Previous Page
Loading...
SOLID STATE ECONOMIZER SYSTEM
27 63-2484—03
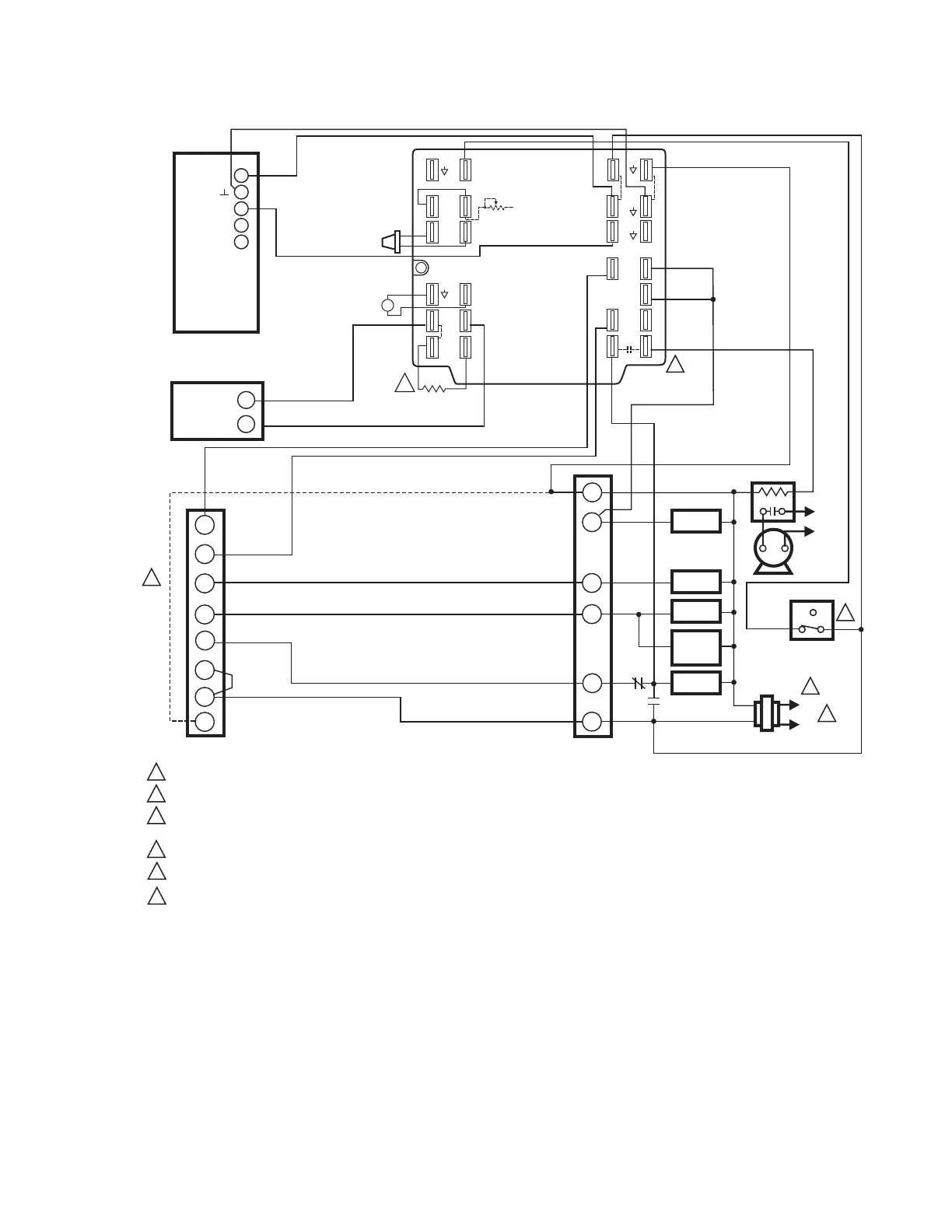
Fig. 34. W7212 used in single-stage cooling system with single enthalpy changeover and Honeywell actuator and time
clock for occupancy.
POWER SUPPLY. PROVIDE DISCONNECT MEANS AND OVERLOAD PROTECTION AS REQUIRED.
ENSURE THAT TRANSFORMER IS SIZED TO HANDLE THE EXTRA LOAD OF THE ECONOMIZER AND ACTUATOR.
FACTORY INSTALLED 620 OHM, 1 WATT, 5% RESISTOR SHOULD NOT BE REMOVED. DIFFERENTIAL ENTHALPY NOT RECOMMENDED FOR USE
WITH SINGLE-STAGE COOLING SYSTEMS OR SINGLE-STAGE COOLING THERMOSTATS.
EF AND EF1 ARE DRY CONTACTS IN THE LOGIC MODULE.
SEE WIRING DIAGRAMS FOR T7350 AND TB7220/TB8220.
TIME CLOCK IS AN OPTION TO USING OCCUPIED CONTACTS ON THE THERMOSTAT.
M24219
S
1
2
3
2
+
4
5
4
C7400
OUTDOOR
AIR
ENTHALPY
SENSOR
UNOCCUPIED
ST6008
TIMER
L1
(HOT)
L2
FDR
FDR
FAN
HEAT 1
HEAT 2
COOL 1
HVAC EQUIPMENT
TERMINAL STRIP
THERMOSTAT
1
C
G
W1
Y1
R
W2
RC
RH
G
X
W1
Y1
Y2
W2
OCCUPIED
FAN
DELAY
RELAY
N1
P1
T1
SR
SO
AQ
EF1
4
EF
3
5
2 1
TR
MINIMUM POSITION
ADJUSTMENT
P
T
AQ1
SO+
SR+
TR1
24 Vac
COM
24
Vac
HOT
+
3
620 OHM
RESISTOR
W7212
C7150B MIXED
AIR OR C7046A
DISCHARGE
AIR SENSOR
+
0/2-10 VDC
INDOOR AIR
SENSOR
N
EXHAUST
FAN
L1
(HOT)
L2
F
1
2
3
4
5
+
~
MS7XXX
HONEYWELL
ACTUATOR
5
6
6

Other manuals for Honeywell W7212

Related product manuals