EasyManua.ls Logo

Honeywell W7212

Honeywell W7212
36 pages
To Next Page IconTo Next Page
To Next Page IconTo Next Page
To Previous Page IconTo Previous Page
To Previous Page IconTo Previous Page
Loading...
SOLID STATE ECONOMIZER SYSTEM
63-2484—03 28
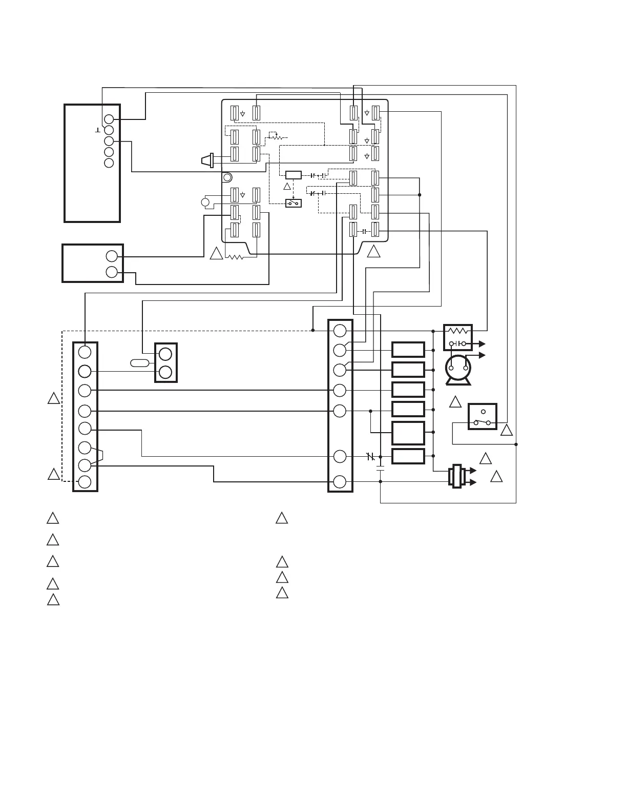
Fig. 35. W7212 used in two-stage cooling system with Honeywell Series 72 Actuator and time clock for occupancy.
POWER SUPPLY. PROVIDE DISCONNECT MEANS AND OVERLOAD
PROTECTION AS REQUIRED.
ENSURE THAT TRANSFORMER IS SIZED TO HANDLE THE EXTRA
LOAD OF THE ECONOMIZER AND ACTUATOR.
1S IS AN ELECTRONIC SWITCH THAT CLOSES WHEN POWERED
BY A 24 VAC INPUT.
FOR T7300 ONLY
FACTORY INSTALLED 620 OHM, 1 WATT, 5% RESISTOR SHOULD BE
REMOVED ONLY WHEN A C7400 ENTHALPY SENSOR IS ADDED TO
SR AND SR+ FOR DIFFERENTIAL ENTHALPY.
M24220
1
2
3
4
2
6
7
USE THE FOLLOWING CONTACTS INSTEAD OF TIMER
FOR T7300, USE A1 AND A2 TERMINALS.
FOR T7350 USE AUX TERMINAL.
FOR TB7220 OR TB8220 USE A TERMINAL
THE TERMINALS ARE CONNECTED WHEN THERMOSTAT IS IN THE OCCUPIED MODE.
EF AND EF1 ARE DRY CONTACTS IN THE LOGIC MODULE.
SEE WIRING DIAGRAMS FOR T7350 AND TB7220/TB8220.
TIME CLOCK IS AN OPTION TO USING OCCUPIED CONTACTS ON THE THERMOSTAT.
UNOCCUPIED
ST6008
TIMER
L1
(HOT)
L2
FDR
FDR
FAN
HEAT 1
HEAT 2
COOL 1
HVAC EQUIPMENT
TERMINAL STRIP
T7300 OR T874
THERMOSTAT
1
C
G
W1
Y1
R
W2
RC
RH
G
X
W1
Y1
Y2
W2
OCCUPIED
4
6
COOL 2
Y2
FAN
DELAY
RELAY
W
R
T6031 AMBIENT
LOCKOUT
CONTROL
50 F SETPOINT
N1
P1
T1
SR
SO
AQ
EF1
4
EF
3
5
2 1
TR
MINIMUM POSITION
ADJUSTMENT
P
T
AQ1
SO+
SR+
TR1
24 Vac
COM
24
Vac
HOT
+
2K
3
1K
1S
1S1
5
7
620 OHM
RESISTOR
W7212
C7150B MIXED
AIR OR C7046A
DISCHARGE
AIR SENSOR
+
0/2-10 VDC
INDOOR AIR
SENSOR
N
EXHAUST
FAN
L1
(HOT)
L2
S
+
C7400
OUTDOOR
AIR
ENTHALPY
SENSOR
F
1
2
3
4
5
+
~
MS7XXX
HONEYWELL
ACTUATOR
8
9
9
8
5

Other manuals for Honeywell W7212

Related product manuals