EasyManua.ls Logo

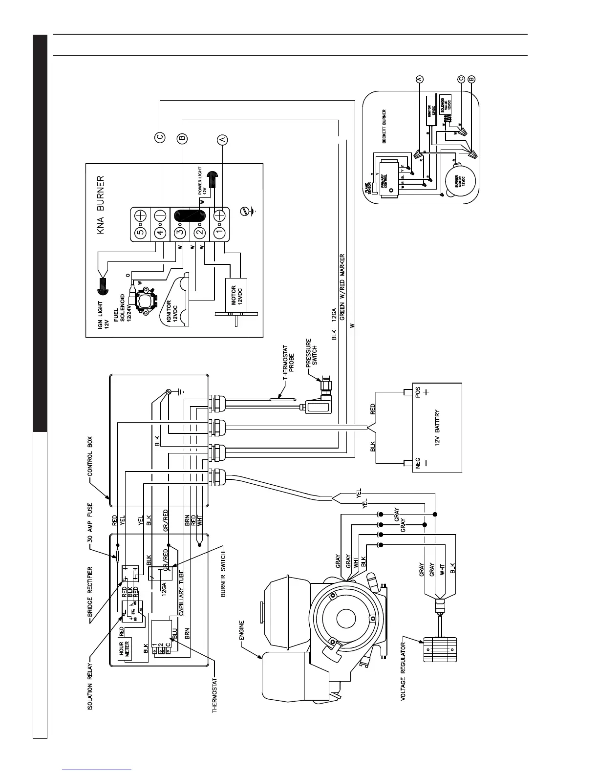
Hotsy 1075BE - Wiring Diagram - 1075 SSBE

Hotsy 1075BE
40 pages
Print Icon
To Next Page IconTo Next Page
To Next Page IconTo Next Page
To Previous Page IconTo Previous Page
To Previous Page IconTo Previous Page
Loading...
Hotsy Gas Belt Drive • 8.931-236.0 • REV. 7/13
PRESSURE WASHER Wiring Diagrams
36
1075SSBE WIRING DIAGRAM
For Reference Only

Related product manuals