EasyManua.ls Logo

HP 212A - Page 45

HP 212A
60 pages
Print Icon
To Next Page IconTo Next Page
To Next Page IconTo Next Page
To Previous Page IconTo Previous Page
To Previous Page IconTo Previous Page
Loading...
I
I
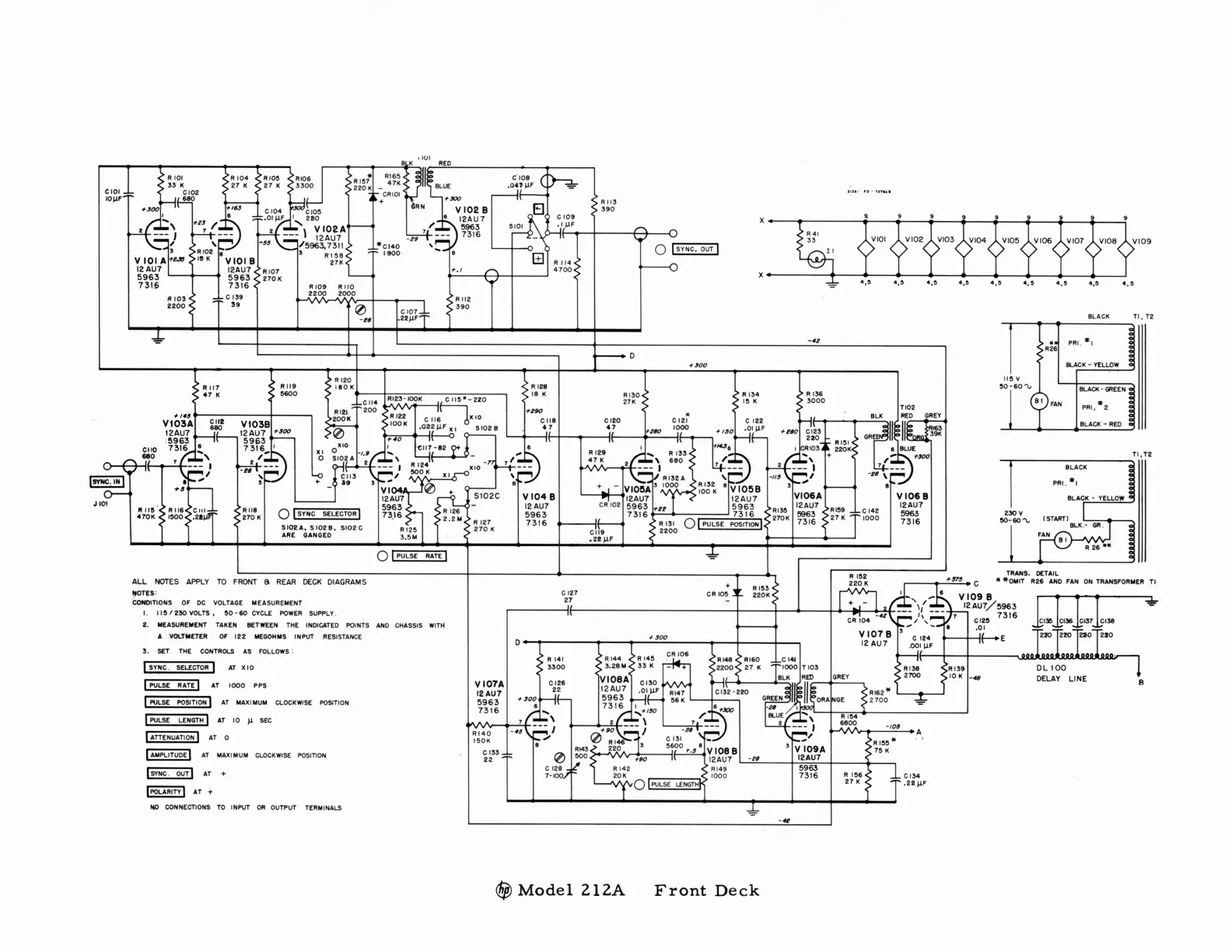
ALL
ms
APPCY
m
FRONT
a
REAR
MU(
DIAGRAMS
WES:
C 127
COWDITIONS OF DC VOLTAGE MEASUREMENT
27
I.
I15 l230
VOCIJ
.
50-50 CYCLE POWER SUPPLY.
t.
YIWREMENT
TAKEN
(LETWEEN
THE
INDIUTEO
FONTS
AND
CHASSIS
wlm
A VU.TMETER OF 122 MEWMS INPUT RESISTANCE
3.
SET
THE CONTRU AS FOLLOWS:
SYNC. SELECTOR
AT
XI0
-1
AT 1000
PPS
DELAY LINE
FiJLSE
WSlTlON AT MAXIMUM UOCKWSE POSTION
1-1
AT I0
jl
SEC
(-1
AT 0
-1
AT
MAXIMUM mcKmsE PoslnoN
[-1
AT
+
AT
+
NO
CONNEmOWt TO INW
MI
OUTPUT TERMINUS
-
-
-u
@Model
212A
Front Deck

Related product manuals