EasyManua.ls Logo

HTW VAW 2 - Schéma de Câblage

HTW VAW 2
Print Icon
To Next Page IconTo Next Page
To Next Page IconTo Next Page
To Previous Page IconTo Previous Page
To Previous Page IconTo Previous Page
Loading...
138
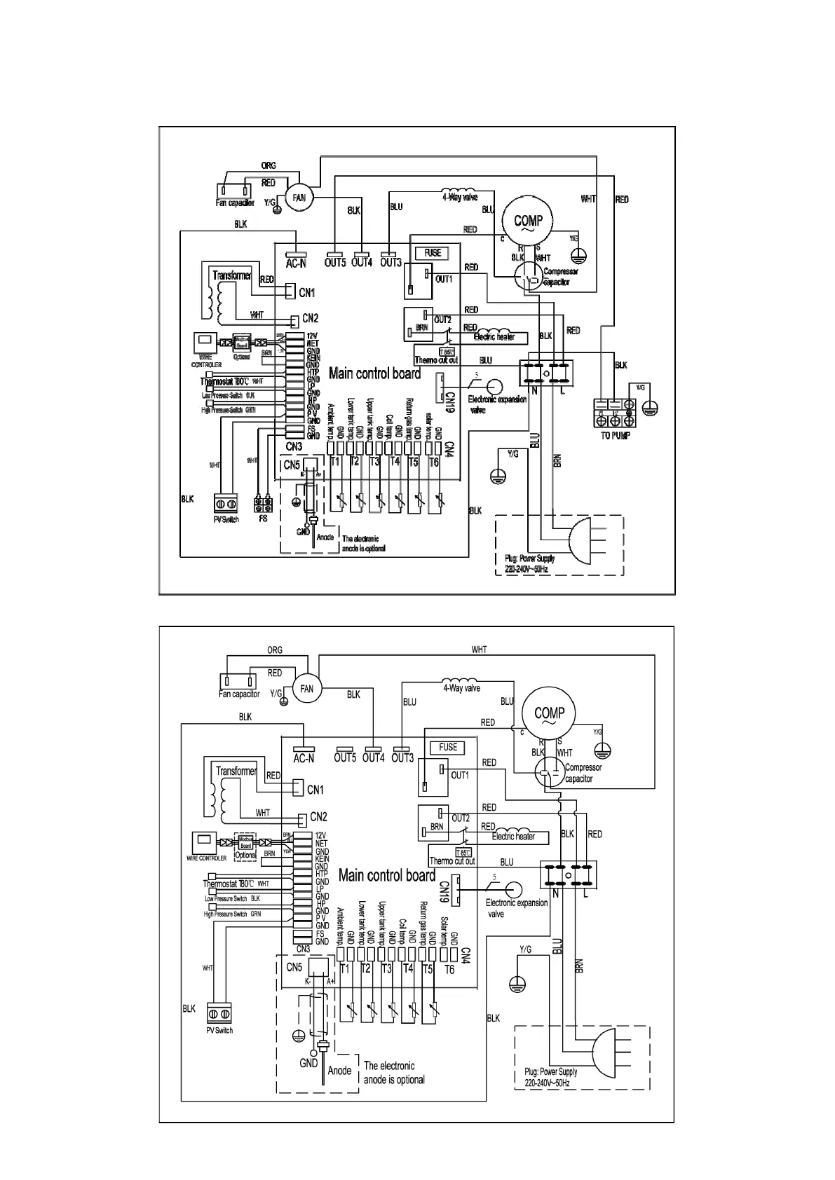
SCHÉMA DE CÂBLAGE
Veuillez vous reporter au schéma de câblage sur le boîtier électrique.
Without Solar coil

Table of Contents