EasyManua.ls Logo

HTW VAW 2 - Schema Cablaggio

HTW VAW 2
Print Icon
To Next Page IconTo Next Page
To Next Page IconTo Next Page
To Previous Page IconTo Previous Page
To Previous Page IconTo Previous Page
Loading...
232
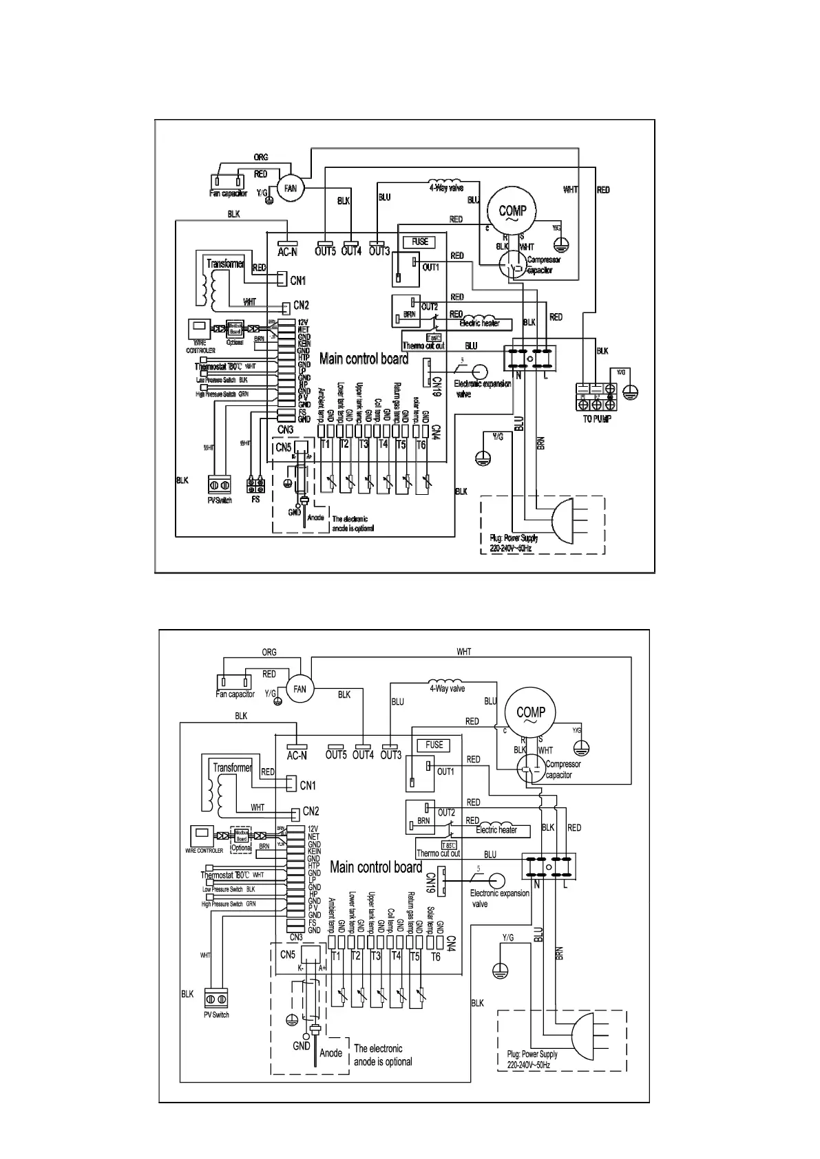
Schema cablaggio
Si prega di consultare lo schema del cablaggio sulla scatola elettrica.
Without Solar coil

Table of Contents