EasyManua.ls Logo

HTW VAW 2 - Diagrama de Cableado

HTW VAW 2
Print Icon
To Next Page IconTo Next Page
To Next Page IconTo Next Page
To Previous Page IconTo Previous Page
To Previous Page IconTo Previous Page
Loading...
42
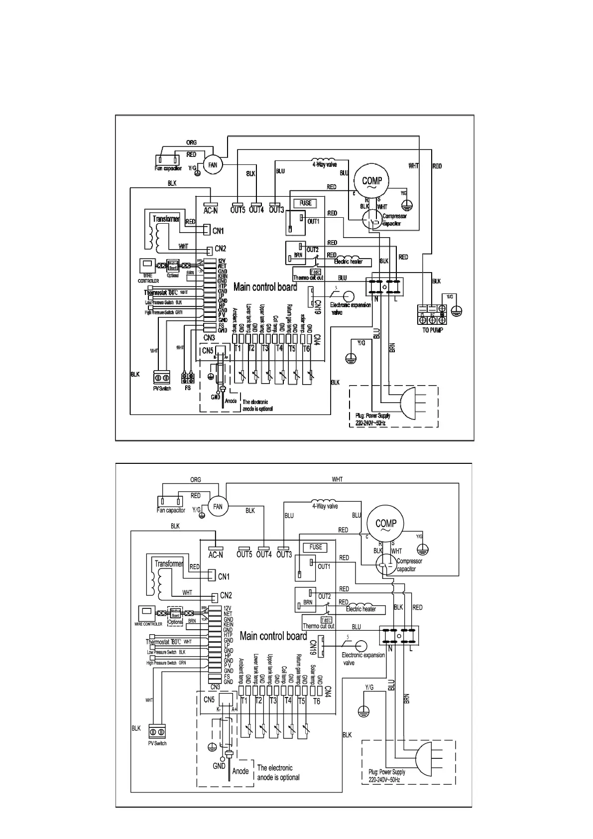
DIAGRAMA DE CABLEADO
Por favor, consulte el diagrama de cableado en la caja eléctrica.
Solar coil
Without Solar coil

Table of Contents