EasyManua.ls Logo

HTW VAW 2 - Disposal Requirements; Wiring Diagram

HTW VAW 2
Print Icon
To Next Page IconTo Next Page
To Next Page IconTo Next Page
To Previous Page IconTo Previous Page
To Previous Page IconTo Previous Page
Loading...
91
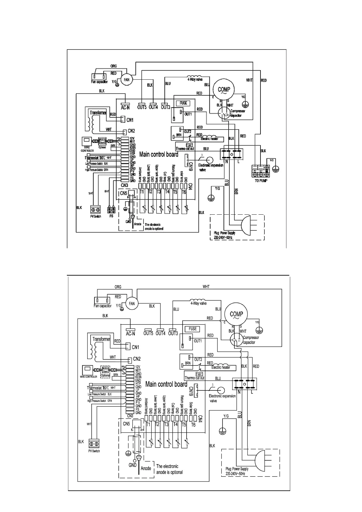
WIRING DIAGRAM
Please refer to the wiring diagram on the electric box.

Table of Contents