EasyManua.ls Logo

HUSABERG FC 470 e - Wiring Diagram (FC;FX Electric Start); Wiring Diagram (FC;FS Kick-Starter)

HUSABERG FC 470 e
34 pages
Print Icon
To Previous Page IconTo Previous Page
To Previous Page IconTo Previous Page
Loading...
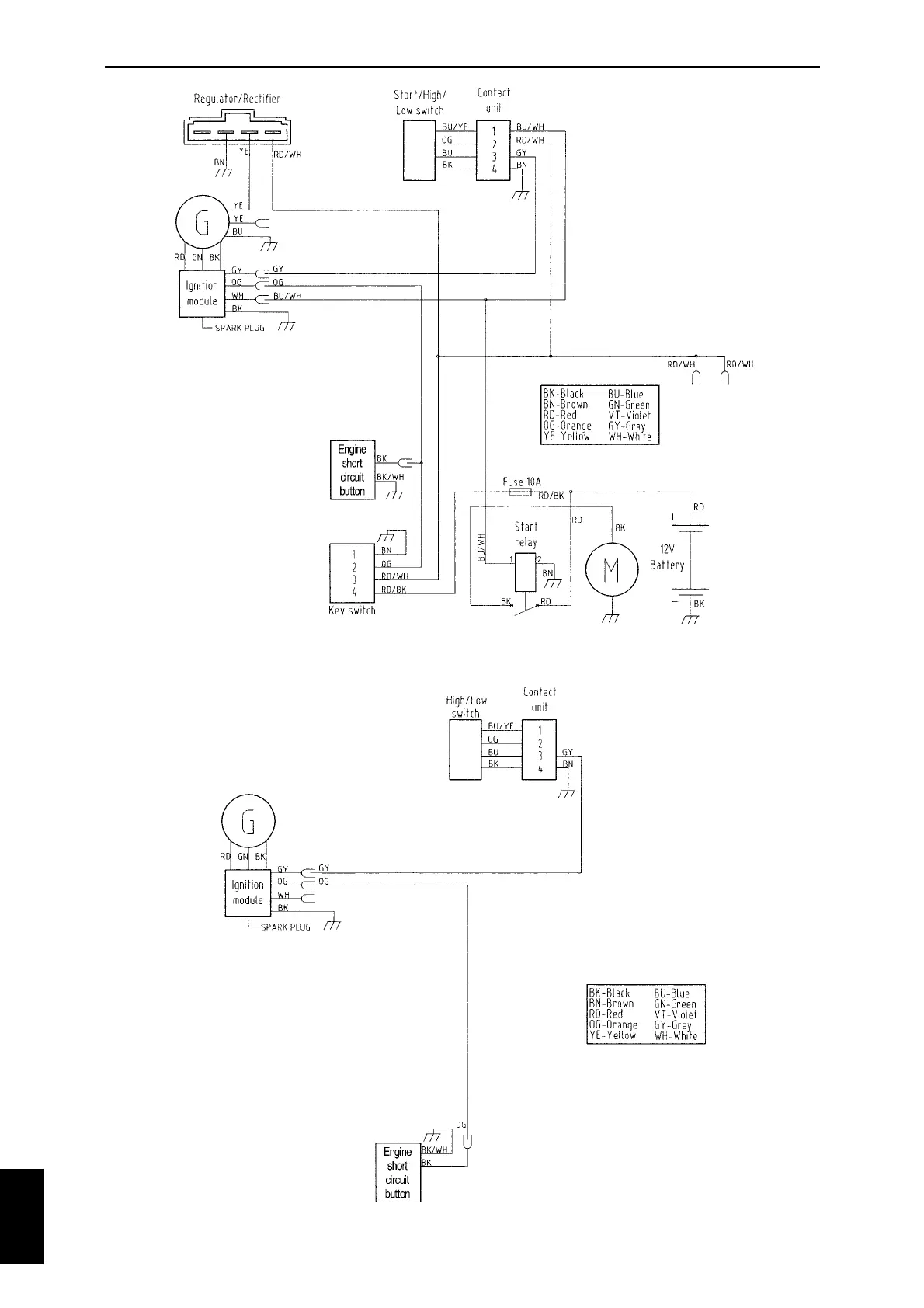
WIRING DIAGRAMS
34
12
FC and FX electrical starter models
FC and FS kick-starter models
12

Related product manuals