EasyManua.ls Logo

Hussmann CRFD - Page 10

Hussmann CRFD
29 pages
Print Icon
To Next Page IconTo Next Page
To Next Page IconTo Next Page
To Previous Page IconTo Previous Page
To Previous Page IconTo Previous Page
Loading...
IGFL-CRFD/CRFD 1/2-0508
10
Sheet ____ of ____
nal
BK
Boris Kasrel
Date:
Project Title:
Drawing No.:
Drawn By:
Next Assembly:
Drawing Title:
Date:
Hussmann Corporation
13770 Ramona Avenue
Chino, CA. 91710
(909)-590-4910
Lic.#: 644406
Revisions:
No. Description:
Checked By:
By:
09.27.2000
12 black
12 white
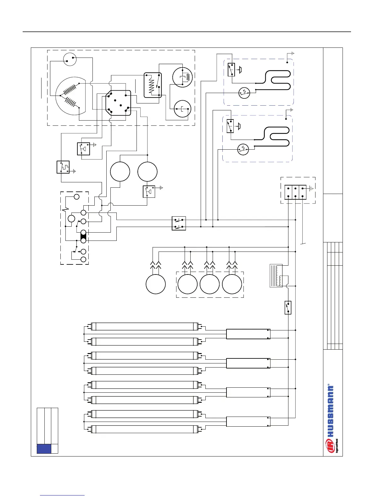
MOTOR
CANOPY LIGHTS
LYTHONIA FIXTURES
MOTOR
MOTOR
MOTOR
Condensate Drying Fan
Compressor
Motor Switch
LIGHTS
Toggle Switch
500W ~220V / ~115V
Auto-Transformer
#125-01-3169
2
4
0
V
1
1
5
V
0
V
(3) Evaporator Fans
motor #125-01-3076
Heating Element
2000W~240V
Heating Element
2000W~240V
High Limit Thermodisk
Float
Switch
High Limit Thermodisk
Float
Switch
note: case must be grounded
Loads, amp
240V
35.0
L1
black
N
L1
G
J-BOX
12 black
12 white
12 green
blue
~220V - 1Ø - 50/60Hz
Pressure
Safety
C ompress or
~208/230V - 2 HP - 15.3A RLA
S
R
3
5
2
1
J-P anel
red
1
2
C
yellow
black
blue
red
yellow
R
C
S
yellow
External
Protector
black
Start
Capacitor
Run
Capacitor
12 black
MOTOR
Condensor
Fans
T-Stat
MOTOR
Pressure
Control
12 black
DT 140digi 20-240
125-01-0717
N
RELAY
RELEASE
TIME
T
1 2
X
4F 3
FIXTURE LITHONIA
C232 125-02-1082
FIXTURE LITHONIA
C232 125-02-1082
FIXTURE LITHONIA
C232 125-02-1082
FIXTURE LITHONIA
C232 125-02-1082
(8) F32T8-SPX-30 LAMPS
Floral Refrigerated Case ~220V-50/60Hz
1
1
CFRD 7'-4" ~220V Unit Wiring Diagram
W0400005.dft
1 DUPLICATE OF W0400004 WITH T8 12/5/01 AEC
Wiring Diagrams (Cont'd)

Other manuals for Hussmann CRFD

Related product manuals