EasyManua.ls Logo

Hussmann CRFD - Page 11

Hussmann CRFD
29 pages
Print Icon
To Next Page IconTo Next Page
To Next Page IconTo Next Page
To Previous Page IconTo Previous Page
To Previous Page IconTo Previous Page
Loading...
Rev. 0508
11
DATE:
PROJECT TITLE:
DRAWING #:
DRAWN BY:
PRODUCTION ORDER #:
DRAWING TITLE:
DATE:
Hussmann Corporation, Int'l.
13770 Ramona Avenue
Chino, CA. 91710
(909)-590-4910 Lic.#: 644406
REVISIONS:
#: DESCRIPTION:
CHECKED BY:
BY:
FILE LOCATION:
D.QUAN
---
PAGE OF1
1
06/28/04
1
2
3
H:\WIRESCHEMATICS\NEW-WIRING
CFRD 7'-4"
W0400006
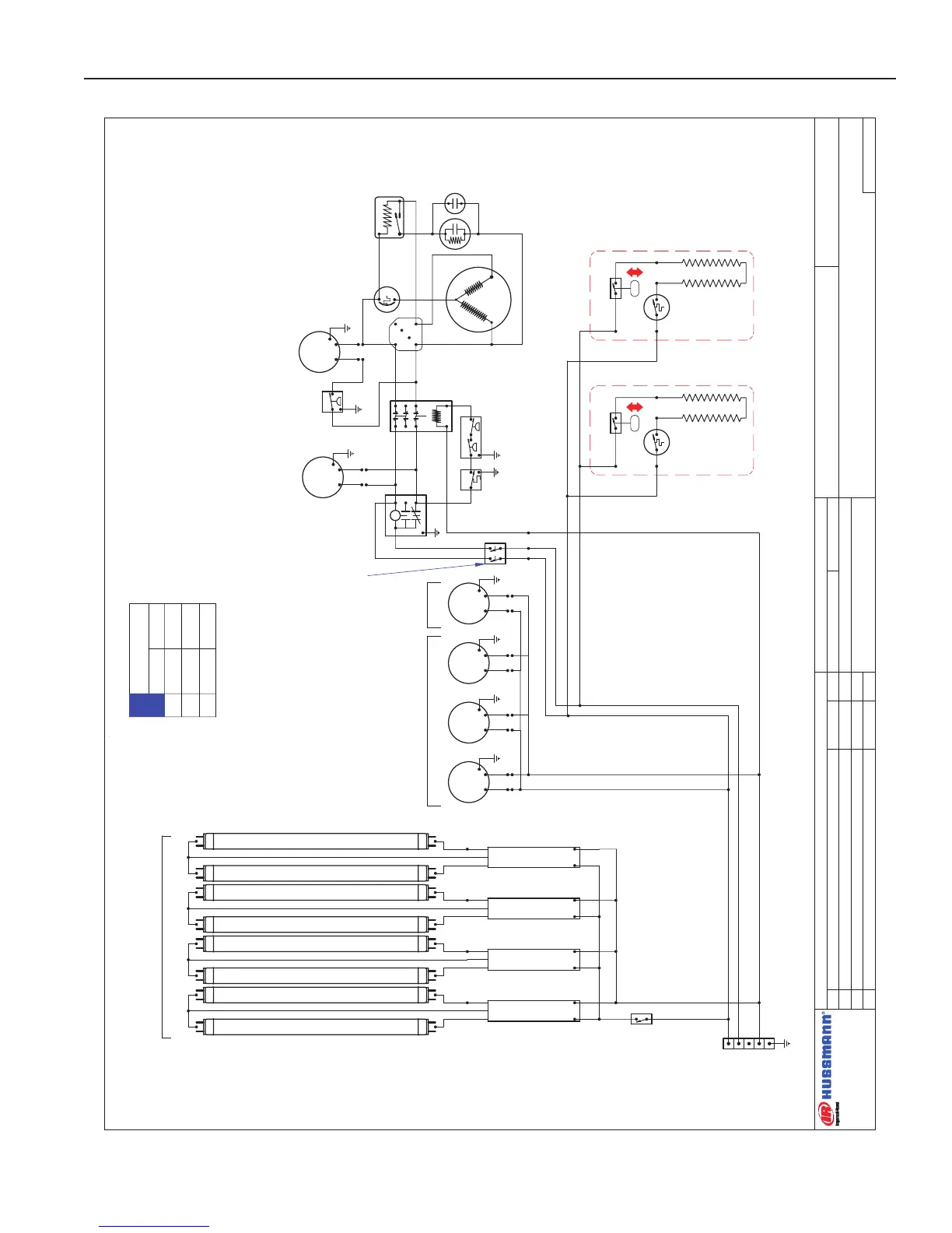
CFRD 7'-4" FLORA REFRIGERATED CASE
LIGHT SWITCH
125-01-0307
CANOPY LIGHTING
(8) F32T8-48" LAMP
125-03-1073
(4) LIGHT FIXTURE
125-02-1082
FAN MOTOR
(4) GE 9W - 115V
125-01-0615A
M M
TERMINAL
BLOCK
125-01-0295
L1
L2
L3
N
G
FISHER™ EVAPOWAY™
DM20WW-3D
2000W @ ~ 240 VAC
125-01-0500
MOTOR START
SWITCH
HUBBELL
HBL-1372
125-01-0312
SAFETY
SWITCH
FLOAT SWITCH
FISHER™ EVAPOWAY™
DM20WW-3D
2000W @ ~ 240 VAC
125-01-0500
SAFETY
SWITCH
FLOAT SWITCH
CONDENSING UNITS - COPELAND®
F9AD-B225-CFV-140 / 2 H.P. / R-22
225-03-0111A
POWER: ~ 208 / 230 VAC - 1Ø - 50/60 HZ. - 4W
M M
START & RUN
CAPACITORS
CONTACTOR
SQUARE -D
8910DPA43V02
125-01-0002
YELLOW
S
C
R
B
L
U
E
COMPRESSOR
MOTOR
CONDENSER FANS
~208 VAC
POTENCIAL
RELAY
5
21
THIS FAN CYCLING THROUGH
PRESSURE CONTROL
M
M
EXTERNAL
PROTECTOR
C
2
1
3
R
S
RED
T
X
4
N
3
1
2
DEFROST TIMER
PARAGON 8045-20
~208 V - 60 Hz.
125-01-0715
POWER
SWITCH
BLACK
PRESSURE
SAFETY
T-STAT
EVAPORATOR FAN MOTOR
CONDENSING
DRYING FAN MOTOR
FIXTURE LITHONIA
C232 125-02-1082
FIXTURE LITHONIA
C232 125-02-1082
FIXTURE LITHONIA
C232 125-02-1082
FIXTURE LITHONIA
C232 125-02-1082
NOTE:
CASE MUST BE GROUNDED
CIRCUIT #1
NOTE: CASE MUST
BE GROUNDED
40.6
38.7
0.0
34.4
32.8
0.0
L1
L2
L3
208 V 240 V
LOADING
Wiring Diagrams (Cont'd)

Other manuals for Hussmann CRFD

Related product manuals